

作品包括:
Word版说明书1份,共49页,约13000字
外文翻译一份
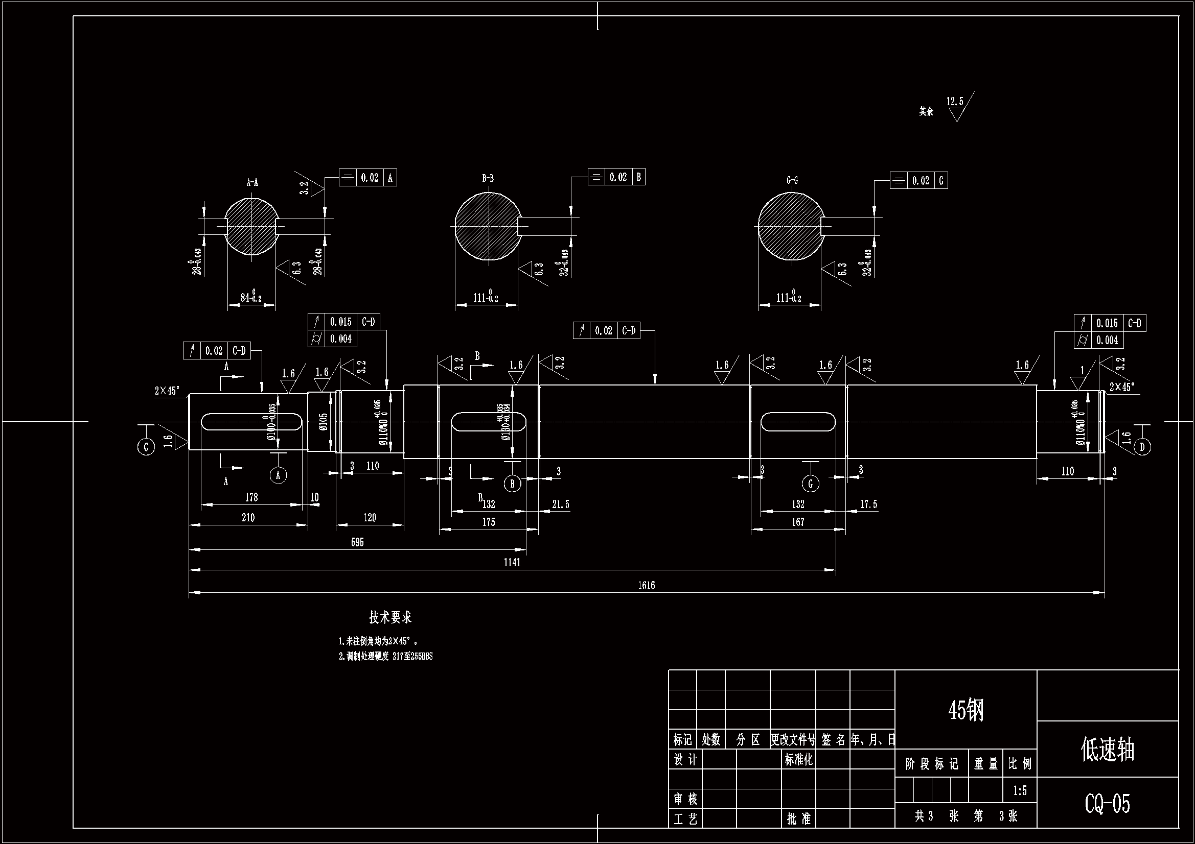
CAD版本图纸,共3张
![1717833860268970.png Y68242I$R9P]Q0S9`U)0V(Q.png](/uploadfiles/20240608/1717833860268970.png)
目 录
前言 1
1 绪论 2
1.1 国内外二次调节技术研究发展概况 2
1.2 车辆轮桥加载系统概述 4
1.2.1 开放式加载系统 4
1.2.2 封闭式加载系统 5
1.3 二次调节加载系统原理与特点 7
1.3.1 原理 7
1.3.2 特点 8
2 总体的结构设计 9
2.1 试验台各部分组成及其功用 9
2.2 模拟加载系统原理 9
3 驱动变速箱的设计 12
3.1 传动方案的确定 12
3.2 最大转矩的计算 13
3.3 齿轮的设计 14
3.3.1 选择齿轮材料 14
3.3.2 确定齿轮传动精度等级 14
3.4 轴的设计 21
3.4.1Ⅰ轴的设计 21
3.4.2 Ⅱ轴的设计 23
3.4.3 Ⅲ轴的设计 24
3.4.4 Ⅳ轴的设计 25
3.4.5 Ⅴ轴的设计 26
4 零件的强度校核 28
4.1 轴的强度校核 28
4.1.1 Ⅰ轴的校核 28
4.1.2 Ⅱ轴的校核 30
4.1.3 Ⅲ轴的校核 34
4.1.4 Ⅳ轴的校核 36
4.1.5 Ⅴ轴的校核 40
4.2 轴承的校核 42
4.3 键的校核 44
4.3.1 平键的校核 44
4.3.2 花键的校核 45
5 结论 47
致谢 48
参考文献 48
温馨提示:
1、题目前面的备注【字母数字编号】为本站整理分类的编号,与课题内容无关,请选题时忽视;
2、若题目上备注三维,则表示文件里包含三维源文件,由于三维组成零件数量较多,为保证预览截图的简洁性,本站将三维文件夹进行了打包。三维及CAD预览截图,均为本站电脑打开软件进行截图的,保证能够打开,下载原件超高清,下载后解压即可;
3、本站所有资源如无特殊说明,都需要本地电脑安装Office2007。图纸软件为AutoCAD,PROE,UG,SolidWorks,CATIA等;
4、本站所有图文资料仅供用户学习参考,不作为任何商用或其他用途;
5、本站不保证下载资源的准确性、安全性和完整性, 不包修改,不支持退换,同时也不承担用户因使用这些下载资源对自己和他人造成任何形式的伤害或损失;
6、 下载文件中如有侵权或不适当内容,请与我们联系,我们立即纠正。