

作品包括:
Word版说明书1份,共29页
任务书一份
CAD版本图纸,共10张
摘要
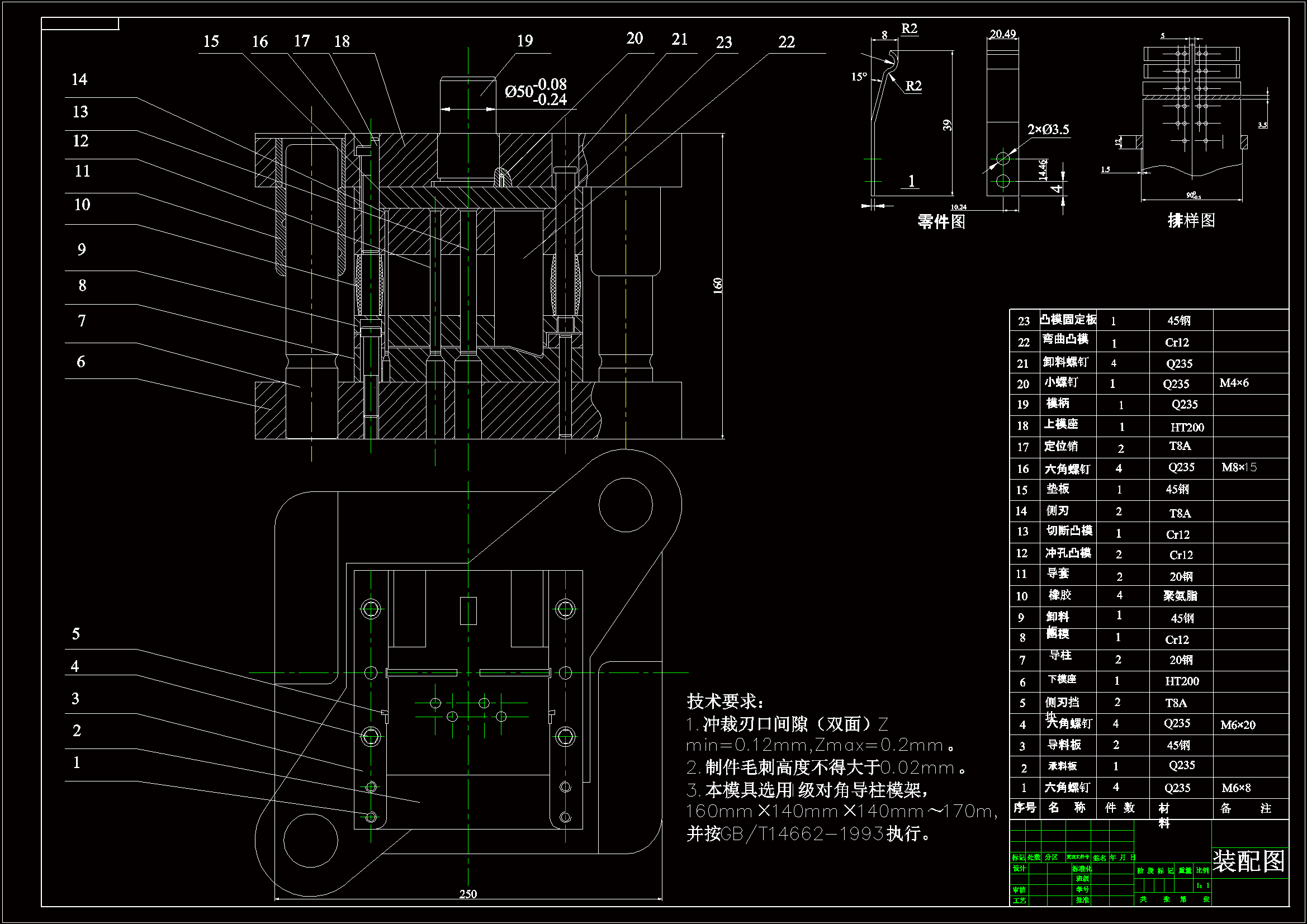
关于学校这次的设计,我设计了生产小电器金属弹簧片零件的坯料级进模一套经过设计的整个课题精心制作,对我所学的模具设计与制造所有知识得到了一个全面的复习,经过查询我们的教材还有我们学校图书馆里的和我这次设计课题有关的书本,根据模具设计的相关流程进行一步一步的不折不扣制作,把我这次设计的整个设计过程给很清楚的写在这份说明书上了。
在这次设计生产小电器金属弹簧片零件同样先进行了工艺的分析,工艺的计算,确定压力机型号,再将各主要零部件的设计表达出来。
这次设计生产小电器金属弹簧片零件设计说明书的第一个部分是对我这次设计课题的第一套模具,生产小电器金属弹簧片零件坯料的级进模的工艺的分析,工艺的计算,主要零部件的设计。这次生产小电器金属弹簧片零件设计说明书的工艺计算,主要零件的设计。这都为选择冲压设备提供重要依据。也为本次模具设计的AutoCAD装配图,以及AutoCAD主要零件图绘制提供了依据。
温馨提示:
1、题目前面的备注【字母数字编号】为本站整理分类的编号,与课题内容无关,请选题时忽视;
2、若题目上备注三维,则表示文件里包含三维源文件,由于三维组成零件数量较多,为保证预览截图的简洁性,本站将三维文件夹进行了打包。三维及CAD预览截图,均为本站电脑打开软件进行截图的,保证能够打开,下载原件超高清,下载后解压即可;
3、本站所有资源如无特殊说明,都需要本地电脑安装Office2007。图纸软件为AutoCAD,PROE,UG,SolidWorks,CATIA等;
4、本站所有图文资料仅供用户学习参考,不作为任何商用或其他用途;
5、本站不保证下载资源的准确性、安全性和完整性, 不包修改,不支持退换,同时也不承担用户因使用这些下载资源对自己和他人造成任何形式的伤害或损失;
6、 下载文件中如有侵权或不适当内容,请与我们联系,我们立即纠正。