

作品包括:
Word版说明书1份,共36页,约15000字
CAD版本图纸,共8张

摘要
随着现代科学技术的发展,服务类机器人逐渐出现在市场,为人们的智能化生活提供了便利。扫地机器人作为一款智能家居,具备一定的人工智能化,能够自主进行清扫工作,为人们解放了双手,提高了工作效率。同时扫地机器人作为一项重要智能化技术正在迅速变革,从简单的扫地、除灰等功能正在逐步扩展,增加除菌、自动充电、自动规划路线等更多智能化操作。因此设计一种合理的扫地机器人结构具有重大研究意义。市场上的家用智能扫地机器人存在很多问题如:越障差、吸力小、噪声大等问题,针对以上问题,本文针对性的对目前家用扫地机器人的这些问题做一些优化设计,通过合理的设计吸尘风道降低吸尘风道阻抗,从而提升吸力。通过优化风道设计降低湍流而产生的气动噪声。还通过设计合理的结构外型和选择动力适合的电机等方式着手解决越障差和打扫不到位的问题。
关键词:扫地机器人,结构设计,动力计算
目录
摘要 3
1 绪 论 5
1.1 研究背景与意义 5
1.2 国内外研究现状 5
1.3 论文的主要研究内容 6
第二章 家用扫地机器人机械结构方案的设计 7
2.1设计要求 7
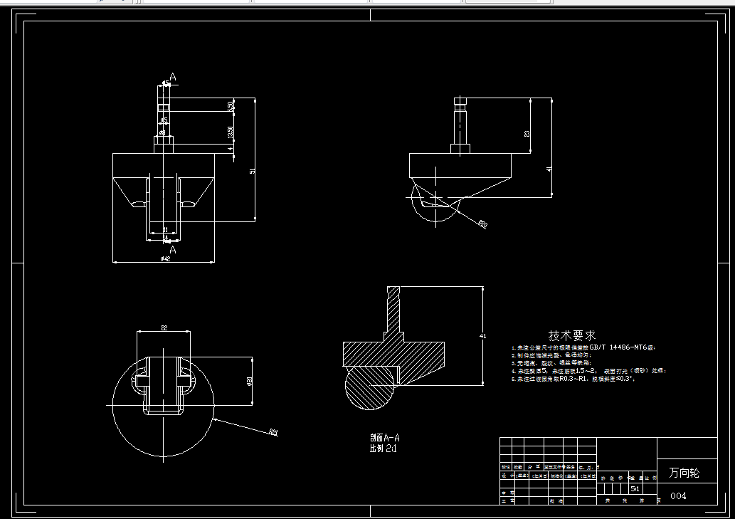
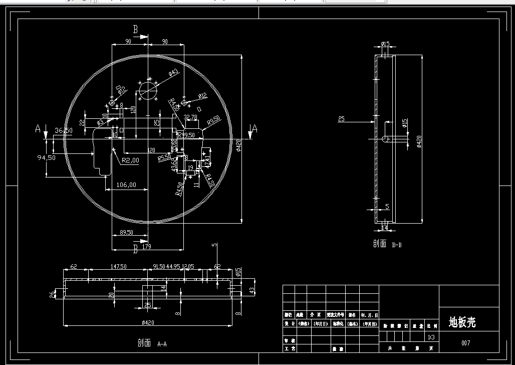
2.2 扫地机器人 8
2.3 扫地机器人外型设计 9
2.3.1圆形的扫地机器人 9
2.3.2 三角形的扫地机器人 10
2.3.3 D字形的扫地机器人 11
2.3.4最终扫地机器人外型设计的选取 12
2.3 扫地机器人行走机构方案设计 12
2.4 扫地机器人吸尘机构方案设计 14
2.4.1吸口方式设计 14
2.4.2吸尘风道设计 15
3家用扫地机器人动力系统的计算 16
3.1电动机的选择 16
3.2主动轮减速器的设计计算 18
3.2.1计算总的传动比及分配各级的传动比 18
3.2.2传动装置运动和动力参数计算 19
3.3 主动轮二级减速器直齿圆柱齿轮设计计算 20
3.3.1 高速级齿轮传动的设计计算 20
3.3.2 低速级齿轮传动的设计计算 22
4家用扫地机器人关键零部件强度校核 25
4.1材料的选择 25
4.2 高速轴齿轮1、2齿面接触疲劳强度计算 25
4.3 低速轴齿轮3、4齿面接触疲劳强度计算 27
5维修与保养 28
5.1家用扫地机器人的维修 28
5.2家用扫地机器人的保养 31
致谢 33
参考文献 34
温馨提示:
1、题目前面的备注【字母数字编号】为本站整理分类的编号,与课题内容无关,请选题时忽视;
2、若题目上备注三维,则表示文件里包含三维源文件,由于三维组成零件数量较多,为保证预览截图的简洁性,本站将三维文件夹进行了打包。三维及CAD预览截图,均为本站电脑打开软件进行截图的,保证能够打开,下载原件超高清,下载后解压即可;
3、本站所有资源如无特殊说明,都需要本地电脑安装Office2007。图纸软件为AutoCAD,PROE,UG,SolidWorks,CATIA等;
4、本站所有图文资料仅供用户学习参考,不作为任何商用或其他用途;
5、本站不保证下载资源的准确性、安全性和完整性, 不包修改,不支持退换,同时也不承担用户因使用这些下载资源对自己和他人造成任何形式的伤害或损失;
6、 下载文件中如有侵权或不适当内容,请与我们联系,我们立即纠正。