

作品包括:
Word版说明书1份,共54页,约18000字
工程文件,原理图 等
摘 要
随着大众的生活水平不断的向上提升,以及现代科技的不断发展。人们越来越关注和自己相关的物理环境因素。其中,环境温度是一项和我们的生活密切相关的因素,例如我们在早上起床的时候都会看看天气预报来了解自己所处的地区的天气状况,以及实时的温度,从而来决定自己一天的穿着和出行计划。同时,时刻了解我们的环境温度还在很多生产和农业领域有着巨大的作用。比如农业中的温室大棚,我们就需要时刻了解大棚的温度。工业生产也是一样,我们需要时刻监测工厂的生产温度。正因为环境温度和我们息息相关,而且有着重要的作用。所以本次设计就制作了一个温度显示系统。
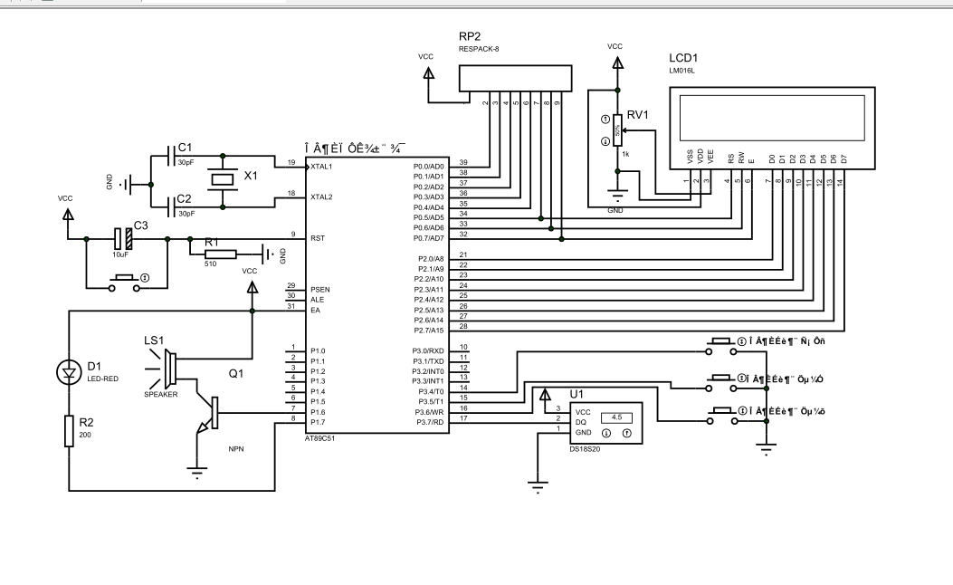
经过前期的硬设计和软件设计。以及后期的仿真调试。本设计实现了:利用STC89C51单片机对环境温度进行实时的采集,然后通过LCD1602液晶显示模块实时的显示温度,同时通过外置的独立按键进行温度上限和温度下限的实时设定,在采集了温度之后进行实时的比较,如果超过设定的温度上限值或者低于设定的温度下限值,就你用蜂鸣器和LED灯进行组合报警提示。
在本次设计中,主要用到了STC89C51单片机,DS18B20集成温度传感器,LCD1602液晶显示模块,独立按键调节,蜂蜜器和LED组合报警模块。进过前期的大量设计和中期的软件仿真。从整体的系统设计到分块的软件和硬件设计,采用分块独立设计,后期整合的方式进行。保证了系统设计的高效和可靠性。在大量的测试和实际的软件仿真测试之后得出结论。本文所采用的硬件和软件设计方式是正确可靠的。能够实现我们最初的目的,实时显示温度并在超过温度设定值的时候进行报警。
关键词:单片机,DS18B20,温度采集,液晶显示
目 录
摘 要 I
ABSTRACT III
第1章 绪 论 7
1.1 设计的目的 7
1.2 国内外研究现状 8
1.3 本次设计的内容和任务 8
第2章 系统总体设计方案 9
2.1 系统理论分析 9
2.2 设计的总体组成 9
2.3 系统的硬件模块 10
2.4 系统的软件模块 11
第3章 控制器件选择 12
3.1 单片机的组成和特点 12
运算器 12
控制器 12
主要寄存器 13
3.2 STC89C51单片机介绍 14
3.2.1 STC89C51单片机特点 15
3.2.2 STC89C51单片机资源介绍 16
3.2.3 STC89C51单片机定时器介绍 18
第4章 数据采集器的选择 19
4.1 不同传感器的比较 19
4.2 DS18B20温度传感器 20
4.2.1 DS18B20传感器简介 20
4.2.2 DS18B20传感器工作方式介绍 21
初始化 21
写操作 21
读操作 22
4.2.3 DS18B20传感器数据转换方式 22
第5章 系统硬件设计 24
5.1 STC89C51单片机系统电路 24
5.1.1复位电路的设计 24
5.1.2 STC89C51单片机的晶振电路 25
5.2 DS18B20传感器电路 26
5.3 系统电路的设计 26
5.4 液晶显示电路的设计 27
5.4.1 LCD1602的特点 28
5.4.2 LCD1602引脚介绍 28
5.5 蜂鸣器和LED报警电路的设计 29
第6章 系统软件设计 30
6.1 系统软件设计所使用的编程环境介绍 30
6.2 主程序模块设计 31
6.3 定时中断函数的设计 31
6.4 计算函数设计 32
6.5 显示函数程序流程 32
6.6 蜂鸣器和LED预警流程图 33
6.7 数据采集流程图 33
6.8 按键清除流程图 34
第7章 仿真设计 35
7.1 仿真软件介绍 35
7.2 本次设计的仿真图设计 36
主要参考文献 37
附 录 一 设计电路图 38
附 录 二 仿真电路图 38
附 录 三 设计源程序 39
致 谢 55
温馨提示:
1、题目前面的备注【字母数字编号】为本站整理分类的编号,与课题内容无关,请选题时忽视;
2、若题目上备注三维,则表示文件里包含三维源文件,由于三维组成零件数量较多,为保证预览截图的简洁性,本站将三维文件夹进行了打包。三维及CAD预览截图,均为本站电脑打开软件进行截图的,保证能够打开,下载原件超高清,下载后解压即可;
3、本站所有资源如无特殊说明,都需要本地电脑安装Office2007。图纸软件为AutoCAD,PROE,UG,SolidWorks,CATIA等;
4、本站所有图文资料仅供用户学习参考,不作为任何商用或其他用途;
5、本站不保证下载资源的准确性、安全性和完整性, 不包修改,不支持退换,同时也不承担用户因使用这些下载资源对自己和他人造成任何形式的伤害或损失;
6、 下载文件中如有侵权或不适当内容,请与我们联系,我们立即纠正。