

作品包括:
Word版说明书1份,共26页,约9500字
CAD版本图纸,共5张
UG三维图一份

后钢板弹簧吊耳的加工工艺和夹具设计
摘要
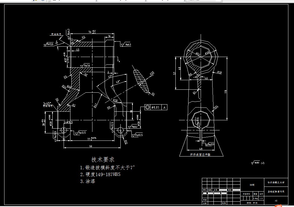
本次设计是对后钢板弹簧吊耳零件的加工工艺规程及一些工序的专用夹具设计。后钢板弹簧吊零件的主要加工表面是平面及孔。由加工工艺原则可知,保证平面的加工精度要比保证孔的加工精度容易。所以本设计遵循先面后孔的原则。并将孔与平面的加工明确划分成粗加工和精加工阶段以保证加工精度。基准选择以后钢板弹簧吊耳大外圆端面作为粗基准,以后钢板弹簧吊耳大外圆端面与两个工艺孔作为精基准。主要加工工序安排是先以后钢板弹簧吊耳大外圆端面互为基准加工出端面,再以端面定位加工出工艺孔。在后续工序中除个别工序外均用端面和工艺孔定位加工其他孔与平面。整个加工过程均选用组合机床。
关键词 加工工艺;专用夹具;后钢板弹簧吊耳
目录
绪论 1
第1章 零件的分析 2
1.1 零件的分析 2
1.1.1 零件的作用 2
1.1.2 零件的工艺分析 3
1.2 弹簧吊耳零件的技术要求 3
第2章 确定毛坯,绘制毛坯图 4
2.1 确定毛坯的制造形式 4
2.2 确定毛坯的尺寸公差和机械加工余量 4
2.3 吊耳毛坯尺寸公差及机械加工余量 4
第3章 拟定弹簧吊耳工艺路线及机床、工艺装备的选用 6
3.1 零件的加工定位基准 6
3.2 零件表面加工方法的确定,吊耳各表面加工方案 7
3.3 工序顺序的安排 7
3.3.1 工艺方案一、工艺路线 7
3.3.2 工艺方案二、工艺路线 8
3.4 工艺方案的比较与分析 8
3.5 确定吊耳工艺路线 8
3.6 机床设备的选用 9
第5章 加工余量,工序尺寸和公差的确定 10
5.1 加工两端面的加工余量、工序尺寸和公差的确定 10
5.2 吊耳各加工表面的机械加工余量 11
5.3 确定切削用量及基本工时(机动时间) 12
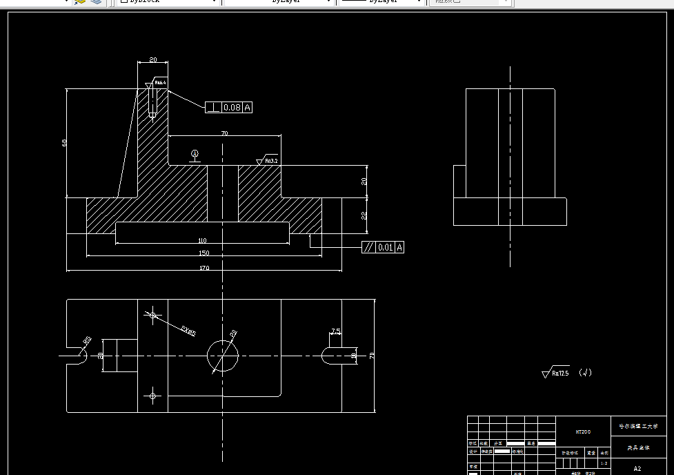
第6章 专用夹具设计 16
6.1 加工 工艺孔夹具设计 16
6.2 定位方案的分析和定位基准的选择 16
6.3 定位误差分析 17
6.4 切削力的计算与夹紧力分析 17
第7章 UG三维造型 18
7.1 UG简介 18
7.2 零件的三维建模 18
7.3 整体装配 19
结论 20
参考文献 21
致谢 22
温馨提示:
1、题目前面的备注【字母数字编号】为本站整理分类的编号,与课题内容无关,请选题时忽视;
2、若题目上备注三维,则表示文件里包含三维源文件,由于三维组成零件数量较多,为保证预览截图的简洁性,本站将三维文件夹进行了打包。三维及CAD预览截图,均为本站电脑打开软件进行截图的,保证能够打开,下载原件超高清,下载后解压即可;
3、本站所有资源如无特殊说明,都需要本地电脑安装Office2007。图纸软件为AutoCAD,PROE,UG,SolidWorks,CATIA等;
4、本站所有图文资料仅供用户学习参考,不作为任何商用或其他用途;
5、本站不保证下载资源的准确性、安全性和完整性, 不包修改,不支持退换,同时也不承担用户因使用这些下载资源对自己和他人造成任何形式的伤害或损失;
6、 下载文件中如有侵权或不适当内容,请与我们联系,我们立即纠正。