

作品包括:
Word版设计说明书1份
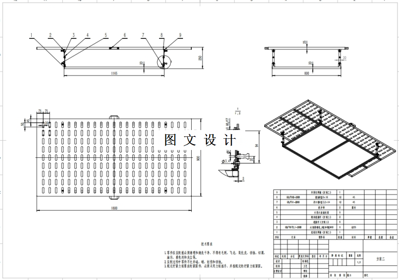
CAD版本图纸,共7张
SW三维图一套
摘要
本论文旨在设计一种具有全新特点的折叠行李架,以解决现有行李架在便捷性、适用性和稳定性方面存在的问题。首先,通过对市场上行李架产品的调研和分析,我们发现现有折叠行李架存在着一些共同的弊端,如重量过大、展开过程复杂、不易储存等。因此,在设计中注重提高行李架的便携性和易操作性。其次,采用了一种创新的机构设计,详细了设计三种设计方案,使得该折叠行李架可以在不需要使用时非常简单地折叠起来,便于携带和储存。此外,还运用了优质材料和可靠的连接件,以保证行李架的稳定性和耐用性。综上所述,本设计的折叠行李架具备便携性、操作性和稳定性等特点,将为旅行者提供更加方便和舒适的出行体验。
关键词: 折叠 行李架 创新 设计
温馨提示:
1、题目前面的备注【字母数字编号】为本站整理分类的编号,与课题内容无关,请选题时忽视;
2、若题目上备注三维,则表示文件里包含三维源文件,由于三维组成零件数量较多,为保证预览截图的简洁性,本站将三维文件夹进行了打包。三维及CAD预览截图,均为本站电脑打开软件进行截图的,保证能够打开,下载原件超高清,下载后解压即可;
3、本站所有资源如无特殊说明,都需要本地电脑安装Office2007。图纸软件为AutoCAD,PROE,UG,SolidWorks,CATIA等;
4、本站所有图文资料仅供用户学习参考,不作为任何商用或其他用途;
5、本站不保证下载资源的准确性、安全性和完整性, 不包修改,不支持退换,同时也不承担用户因使用这些下载资源对自己和他人造成任何形式的伤害或损失;
6、 下载文件中如有侵权或不适当内容,请与我们联系,我们立即纠正。