

作品包括:
Word版设计说明书1份
开题报告一份
外文翻译一份
CAD版本图纸,共15张
SW三维图一套
摘要
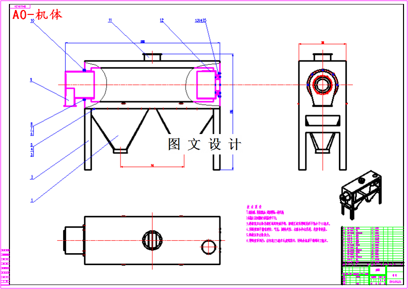
卧式打麦机由机架、机体、出料口、筛筒、打板和传动等部件组成,机体的周边皆粘贴橡胶密封,故密封性良好。传动机构设置在机器下方,充分利用空间,备有张紧装置,可根据需要调节V胶带张力。打板为直板,与轴心线构成一定斜度的螺旋线形排列。 卧式打麦机的工作过程是当物料通过进料口自切线方向进入机内后,由于转转子的高速转动,以及打板叶片和筛筒之间有间隙,打板叶片的间断排列,小麦受叶片的作用而不断的从进口向出口推进。在此过程中,小麦受到打板的打击,麦粒之间的摩擦,麦粒与筛筒之间的撞击摩擦,使得小麦表面各种杂质脱离小麦表面,通过筛网落入杂质出口,被清理的小麦随着打板的推进落入出料口,在出料口设有风道,将小麦上打落的灰尘吸走,防止机内灰尘过多造成危害。
温馨提示:
1、题目前面的备注【字母数字编号】为本站整理分类的编号,与课题内容无关,请选题时忽视;
2、若题目上备注三维,则表示文件里包含三维源文件,由于三维组成零件数量较多,为保证预览截图的简洁性,本站将三维文件夹进行了打包。三维及CAD预览截图,均为本站电脑打开软件进行截图的,保证能够打开,下载原件超高清,下载后解压即可;
3、本站所有资源如无特殊说明,都需要本地电脑安装Office2007。图纸软件为AutoCAD,PROE,UG,SolidWorks,CATIA等;
4、本站所有图文资料仅供用户学习参考,不作为任何商用或其他用途;
5、本站不保证下载资源的准确性、安全性和完整性, 不包修改,不支持退换,同时也不承担用户因使用这些下载资源对自己和他人造成任何形式的伤害或损失;
6、 下载文件中如有侵权或不适当内容,请与我们联系,我们立即纠正。