

作品包括:
Word版设计说明书1份
任务书一份
开题报告一份
外文翻译一份
CAD版本图纸,共12张
摘要
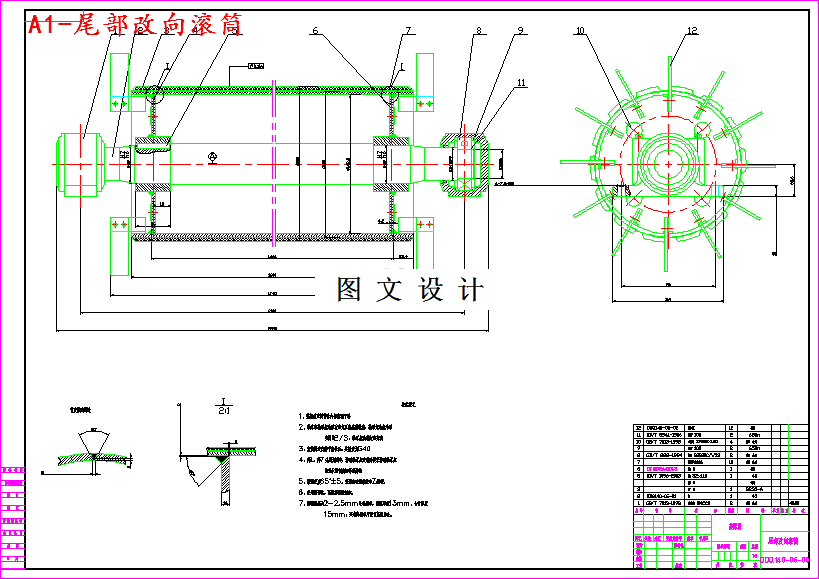
本设计区别于[id:882380]2000T气垫输送机气源中间气室设计,此次设计侧重电视机头机尾的设计,属于同一机器设计不同部分请审核人员误以为是同一设计。2000t/h气垫带式输送机的机头/机尾部件设计机头部分一般包含有减速器、电动机、耦合器、传动滚筒和联轴器等。偶合器位于电动机和减速器之间,使用键来连接,联轴器则放置在减速器和传动滚筒之间用,键连接起来。让后通过电动机的输出轴则通过液力偶合器然后把动力传递给减速器,通使用弹性柱销齿式联轴器让减速器输把动力传递给传动滚筒,滚筒与输送带之间则通过摩擦将牵引电机的动力传递给胶带,但是带式输送机是依靠输送带和滚筒间的摩擦传递牵引力,如果增大滚筒的摩擦牵引力我们可以从以下三个方面着手 1通过加大输送带的拉紧力来增大输送带在分离点的张力 2增加围包角 3在驱动滚筒表面包覆高摩擦材料增加摩擦系数 机尾部分通过在接料处设置缓冲托辊从而降低对输送带的压力,防止输送带损坏,加长它的使用寿命。尾部用重锤拉紧装置拉紧,接收物料并将物料运到头部导料滚筒将物料卸下,头部使用弹簧清扫器来延长输送带滚筒等的使用寿命。 我们主要依据是气垫带式输送机设计选用手册
温馨提示:
1、题目前面的备注【字母数字编号】为本站整理分类的编号,与课题内容无关,请选题时忽视;
2、若题目上备注三维,则表示文件里包含三维源文件,由于三维组成零件数量较多,为保证预览截图的简洁性,本站将三维文件夹进行了打包。三维及CAD预览截图,均为本站电脑打开软件进行截图的,保证能够打开,下载原件超高清,下载后解压即可;
3、本站所有资源如无特殊说明,都需要本地电脑安装Office2007。图纸软件为AutoCAD,PROE,UG,SolidWorks,CATIA等;
4、本站所有图文资料仅供用户学习参考,不作为任何商用或其他用途;
5、本站不保证下载资源的准确性、安全性和完整性, 不包修改,不支持退换,同时也不承担用户因使用这些下载资源对自己和他人造成任何形式的伤害或损失;
6、 下载文件中如有侵权或不适当内容,请与我们联系,我们立即纠正。