

作品包括:
Word版设计说明书1份
文献综述一份
开题报告一份
CAD版本图纸,共19张
摘要
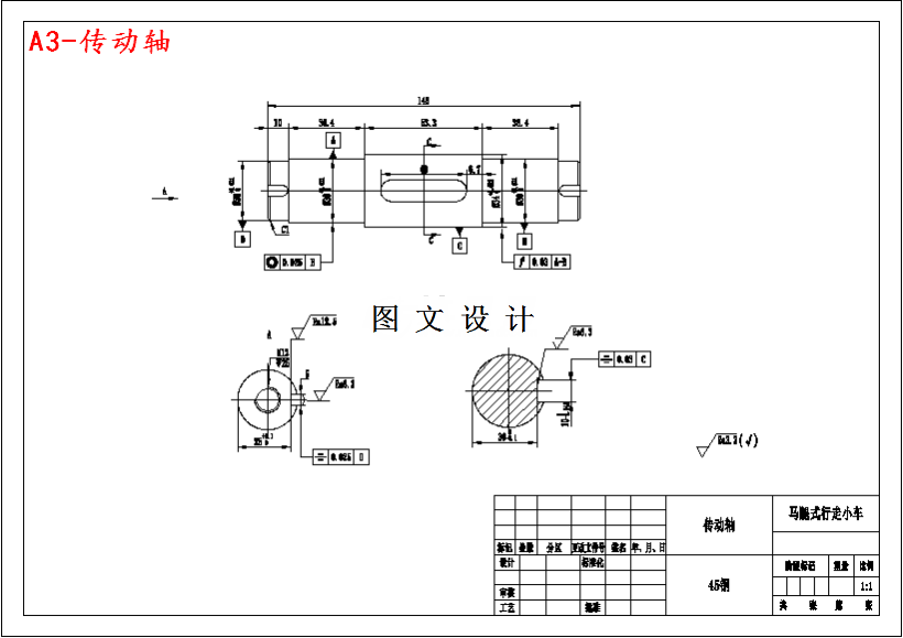
根据马腿行走弯曲的方式去设计的。马在奔跑时与行走时是完全不一样的。在行走时马的前腿先伸出一条,而后退则是将伸出与前腿斜对的那条。同理换步时也是这样,然后一前一后形成交替,达到了前行的目的。而在奔跑时则是后腿发力,前腿着地,有时在奔跑的非常快时,马会形成短时间的腾空状态。本的设计就是根据马行走的状态设计的。马腿式行走小车就是利用连杆的传动,然后设计成马腿的形状。行走时利用蜗轮蜗杆提供动力,通过偏心轮链接连杆形成前后摆动,从而可以使小车向前行走,而且这样的设计也会令人感到新颖。现在人逛街,出走的方式各种各样,我相信会有一个好的前景。首先,本文设计是偏心轮与连杆的设计。其次,本设计减速和传动装置采用的蜗轮蜗杆的,需要硬度和疲劳强度的设计。最后,本文对小车平稳,性能的计算设计,采用前轮两轮摆动装置。
温馨提示:
1、题目前面的备注【字母数字编号】为本站整理分类的编号,与课题内容无关,请选题时忽视;
2、若题目上备注三维,则表示文件里包含三维源文件,由于三维组成零件数量较多,为保证预览截图的简洁性,本站将三维文件夹进行了打包。三维及CAD预览截图,均为本站电脑打开软件进行截图的,保证能够打开,下载原件超高清,下载后解压即可;
3、本站所有资源如无特殊说明,都需要本地电脑安装Office2007。图纸软件为AutoCAD,PROE,UG,SolidWorks,CATIA等;
4、本站所有图文资料仅供用户学习参考,不作为任何商用或其他用途;
5、本站不保证下载资源的准确性、安全性和完整性, 不包修改,不支持退换,同时也不承担用户因使用这些下载资源对自己和他人造成任何形式的伤害或损失;
6、 下载文件中如有侵权或不适当内容,请与我们联系,我们立即纠正。