

作品包括:
Word版设计说明书1份
任务书一份
开题报告一份
外文翻译一份
CAD版本图纸,共8张
摘要
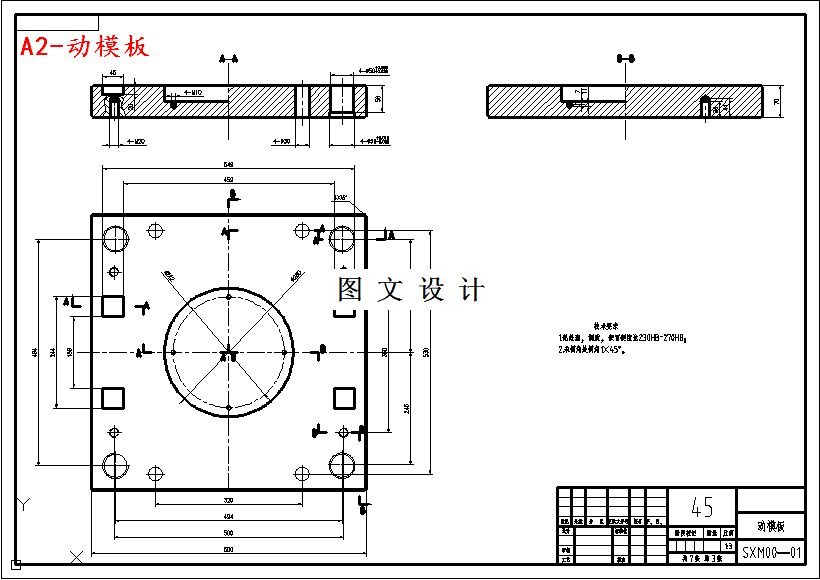
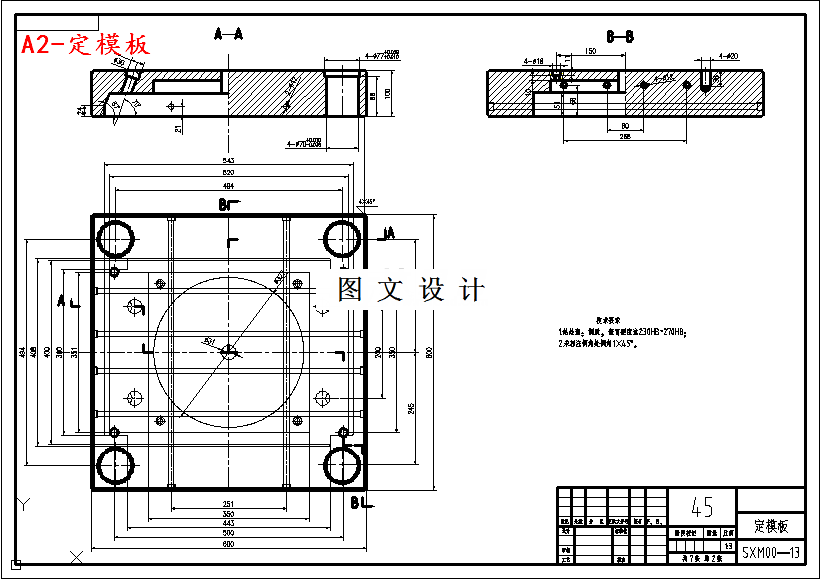
本设计是对产品导弹尾盖的模具的设计,通过对于导弹尾盖的AutoCAD图纸进行分析可知:该塑件几何尺寸较大,且壁厚薄厚不一,使得该塑件成型及冷却较难;塑件形状较为复杂,侧壁有不规则突起,中间有半封闭腔,使得脱模较难。因此,在设计时要着重对于这一难点进行仔细研究分析:对于塑件成型困难的问题,选用加工精度较高的模具钢,以确保塑件顺利成型;对于塑件冷却问题,采用常温水冷冷却水道,在较厚处重点冷却,使其冷却快速均匀;对于塑件脱模问题,采用活动型芯拼接的方案,对于塑件侧壁有突起通过设计侧向抽芯机构进行解决。
温馨提示:
1、题目前面的备注【字母数字编号】为本站整理分类的编号,与课题内容无关,请选题时忽视;
2、若题目上备注三维,则表示文件里包含三维源文件,由于三维组成零件数量较多,为保证预览截图的简洁性,本站将三维文件夹进行了打包。三维及CAD预览截图,均为本站电脑打开软件进行截图的,保证能够打开,下载原件超高清,下载后解压即可;
3、本站所有资源如无特殊说明,都需要本地电脑安装Office2007。图纸软件为AutoCAD,PROE,UG,SolidWorks,CATIA等;
4、本站所有图文资料仅供用户学习参考,不作为任何商用或其他用途;
5、本站不保证下载资源的准确性、安全性和完整性, 不包修改,不支持退换,同时也不承担用户因使用这些下载资源对自己和他人造成任何形式的伤害或损失;
6、 下载文件中如有侵权或不适当内容,请与我们联系,我们立即纠正。