

作品包括:
Word版设计说明书1份
CAD版本图纸,共5张
摘要
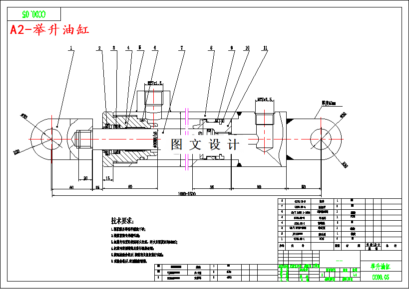
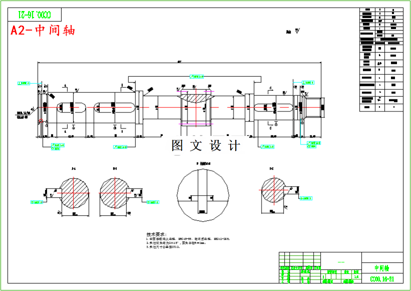
本次设计是叉车总体方案和变速箱的设计,设计的主要内容为:对叉车的外形、结构以及变速箱的设计。 设计的开始部分介绍了中外叉车的发展历史以及叉车在工业中扮演的角色,然后结合自己所学习的专业知识对叉车的结构和变速箱展开了设计。通过搜集数据,基本上确定了叉车的基本参数,这样可以保证设计出来的产品能够适应市场的需求。本着以用户为中心的原则,充分考虑使用者对叉车的需求,在保证能完成工作的同时,在舒适性、环保等方面也做了相应的设计,这样既满足了用户,由减少了对环境的污染。然后通过理论的计算,对叉车的各个部位的材料选取和力学性能进行验证,保证了产品的安全可靠性。最后通过自己搜集到的尺寸数据,用AUTOCAD画了结构外形图和零件图。
温馨提示:
1、题目前面的备注【字母数字编号】为本站整理分类的编号,与课题内容无关,请选题时忽视;
2、若题目上备注三维,则表示文件里包含三维源文件,由于三维组成零件数量较多,为保证预览截图的简洁性,本站将三维文件夹进行了打包。三维及CAD预览截图,均为本站电脑打开软件进行截图的,保证能够打开,下载原件超高清,下载后解压即可;
3、本站所有资源如无特殊说明,都需要本地电脑安装Office2007。图纸软件为AutoCAD,PROE,UG,SolidWorks,CATIA等;
4、本站所有图文资料仅供用户学习参考,不作为任何商用或其他用途;
5、本站不保证下载资源的准确性、安全性和完整性, 不包修改,不支持退换,同时也不承担用户因使用这些下载资源对自己和他人造成任何形式的伤害或损失;
6、 下载文件中如有侵权或不适当内容,请与我们联系,我们立即纠正。