

作品包括:
Word版设计说明书1份
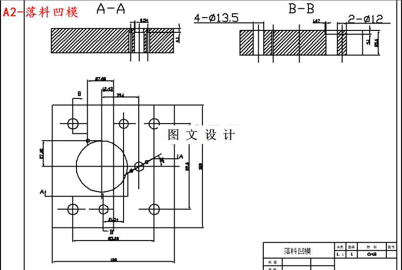
CAD版本图纸,共4张
摘要
在本次设计中我选择的是圆筒型拉深模的设计,冲压模具主要是将板料分离或成形而得到制件的加工方法。因为模具的生产主要是大批量的生产,不但要保证冲压产品的尺寸精度,产品质量稳定,而且在加工中不破坏产品表面。用模具生产零件可以采用冶金厂大量生产的廉价的扎制钢板或钢带为坏料,且在生产中不需要加热,具有生产效率高、质量好、重量轻、成本低且节约能源和原材料等一系列优点,是其他加工方法所不能比拟的。该零件瓶盖拉深模的设计。属于大批量生产,且其形状简单、对称、有利于合理排样、减小废料,直线、曲线的连接处为圆角过渡。且选用08F钢,其弯曲半径均大于该种材料的最小弯曲半径,且工件精度要求不高,不需要校形,因此,该零件可以用冷冲压加工成形。748006
温馨提示:
1、题目前面的备注【字母数字编号】为本站整理分类的编号,与课题内容无关,请选题时忽视;
2、若题目上备注三维,则表示文件里包含三维源文件,由于三维组成零件数量较多,为保证预览截图的简洁性,本站将三维文件夹进行了打包。三维及CAD预览截图,均为本站电脑打开软件进行截图的,保证能够打开,下载原件超高清,下载后解压即可;
3、本站所有资源如无特殊说明,都需要本地电脑安装Office2007。图纸软件为AutoCAD,PROE,UG,SolidWorks,CATIA等;
4、本站所有图文资料仅供用户学习参考,不作为任何商用或其他用途;
5、本站不保证下载资源的准确性、安全性和完整性, 不包修改,不支持退换,同时也不承担用户因使用这些下载资源对自己和他人造成任何形式的伤害或损失;
6、 下载文件中如有侵权或不适当内容,请与我们联系,我们立即纠正。