

作品包括:
说明书一份,55页,14000字左右.
任务书一份
CAD版本图纸共6张
摘 要
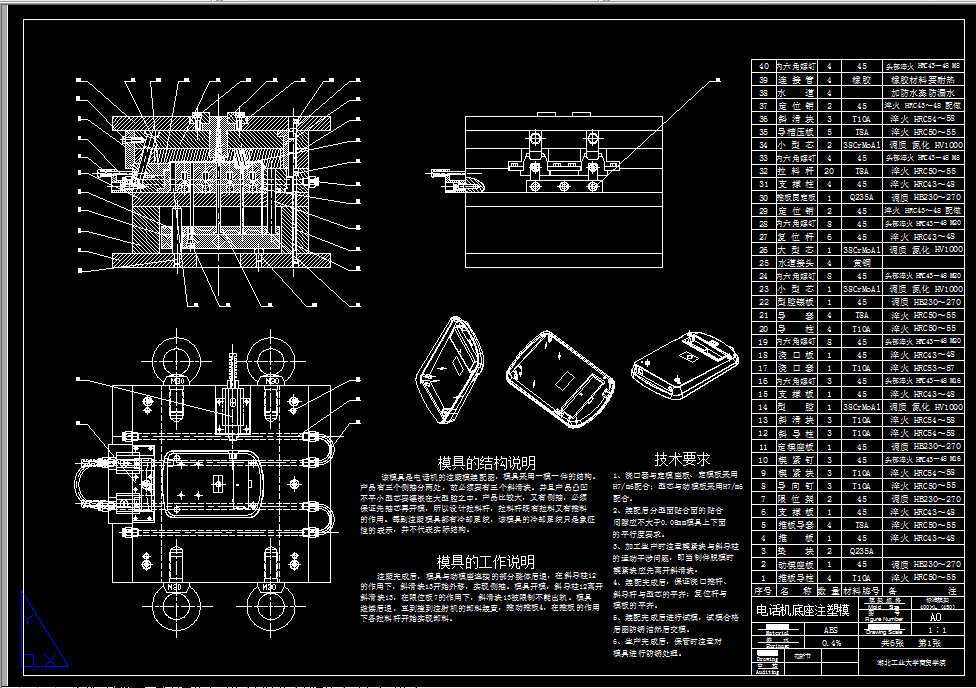
在综合分析塑件结构,使用要求,成型质量和模具制造成本的基础上,介绍结构简单,形状规则的塑件成型。采用侧向分型抽芯机构,使塑件能一次成型。设计了相应的的侧向分型抽芯的注射模,并介绍了模具的工作过程。
关键词:注射模 抽芯机构
目 录
电话机底座注射模设计 3
第1章 塑料件的特性分析 4
1.1 产品性能分析 4
1.2 产品工艺性与结构分析 6
1.3 塑件工艺分析 7
第2章 模具结构设计 7
2.1 型腔数目及排列方式 7
2.2 分型面的设计 7
2.3 注射机的选定 8
2.4 主流道的设计 9
2.6 冷料穴和拉料杆的设计 11
2.7 排气系统的设计 11
2.8 温度调节系统 11
第3章 成型零件的设计与计算 12
3.1 成型零件的设计 12
3.2 模具型腔侧壁和底板厚度的计算 16
3.3 模架的选用 18
第4章 合模导向机构的设计 19
4.1 导向机构的作用 19
4.2 导柱导向机构 19
第5章 推出机构的设计 21
5.1 推出机构的设计原则 21
5.2 脱模力的计算 21
第6章 侧向分型和抽芯机构的设计 22
6.1 抽芯距确定与抽芯力计算 23
6.2 斜导柱侧向分型与抽芯机构 23
6.3 斜导柱的设计 23
6.4 斜导柱倾斜角的确定 24
6.5 斜导柱的直径计算 25
6.6 斜导柱的长度计算 25
6.7 斜滑块的设计 26
6.8 导滑槽的设计 27
6.9 楔紧块设计 27
6.10 滑块定位装置设计 27
第7章 注射机相关参数的校核 28
7.1 注射压力的校核 28
7.2 锁模力的校核及型腔数的确定 28
7.3 模具闭和高度的校核 28
7.4 开模行程的校核 29
7.5 模具安装尺寸的校核 29
7.6 安装螺孔尺寸 29
第8章 设计小结 30
第9章 致 谢 32
第10章 主要参考文献 32
温馨提示:
1、题目前面的备注【字母数字编号】为本站整理分类的编号,与课题内容无关,请选题时忽视;
2、若题目上备注三维,则表示文件里包含三维源文件,由于三维组成零件数量较多,为保证预览截图的简洁性,本站将三维文件夹进行了打包。三维及CAD预览截图,均为本站电脑打开软件进行截图的,保证能够打开,下载原件超高清,下载后解压即可;
3、本站所有资源如无特殊说明,都需要本地电脑安装Office2007。图纸软件为AutoCAD,PROE,UG,SolidWorks,CATIA等;
4、本站所有图文资料仅供用户学习参考,不作为任何商用或其他用途;
5、本站不保证下载资源的准确性、安全性和完整性, 不包修改,不支持退换,同时也不承担用户因使用这些下载资源对自己和他人造成任何形式的伤害或损失;
6、 下载文件中如有侵权或不适当内容,请与我们联系,我们立即纠正。