

作品包括:
word说明书一份,共26页,约6800字
工艺卡片一份
过程卡一份
CAD版本图纸,共7张

机械制造工艺及夹具课程设计任务书
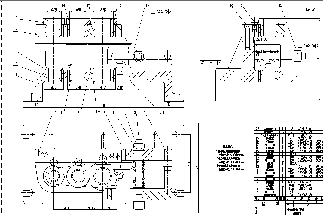
设计题目:制定CA6140车床后托架的加工工艺,设计钻 、 、 孔的钻床夹具
设计要求: 中批量生产 动夹紧 通用工艺装备
设计内容: 1、熟零件图
2、绘制零件图
3、绘制毛坯图
4、编写工艺过程卡片和工序卡片
5、绘制夹具总装图
6、说明书一份
目录
任务书 2
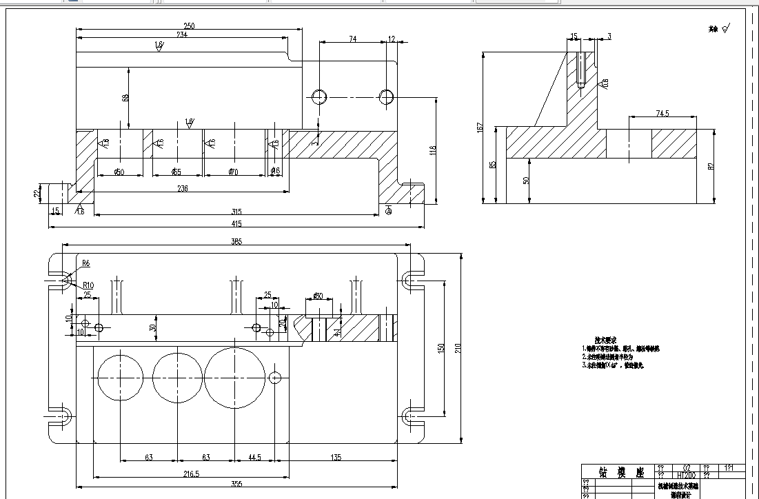
第1章 CA6140车床后托架的零件分析 4
1.1 后托架的作用和结构 4
1.2 后托架的工艺分析 5
第2章 后托架的工艺规程设计 6
2.1 确定毛坯的制造形式 6
2.2 基面的选择 6
2.3 制定工艺路线 6
2.3.1 工艺路线方案 6
2.4 机械加工余量、工序尺寸及毛坯尺寸的确定 7
2.5 确定切削用量及基本工时 7
第3章 后托架的夹具设计 22
3.1 夹具设计过程中的问题 22
3.2 夹具设计 22
3.2.1 定位基准的选择 22
3.2.2 定位元件的选择 22
3.2.3 定位误差计算 22
3.2.4 夹紧力的计算 23
3.2.5 夹紧元件强度校核 25
3.2 夹具说明 25
论结 25
致谢 26
参考文献 26
温馨提示:
1、题目前面的备注【字母数字编号】为本站整理分类的编号,与课题内容无关,请选题时忽视;
2、若题目上备注三维,则表示文件里包含三维源文件,由于三维组成零件数量较多,为保证预览截图的简洁性,本站将三维文件夹进行了打包。三维及CAD预览截图,均为本站电脑打开软件进行截图的,保证能够打开,下载原件超高清,下载后解压即可;
3、本站所有资源如无特殊说明,都需要本地电脑安装Office2007。图纸软件为AutoCAD,PROE,UG,SolidWorks,CATIA等;
4、本站所有图文资料仅供用户学习参考,不作为任何商用或其他用途;
5、本站不保证下载资源的准确性、安全性和完整性, 不包修改,不支持退换,同时也不承担用户因使用这些下载资源对自己和他人造成任何形式的伤害或损失;
6、 下载文件中如有侵权或不适当内容,请与我们联系,我们立即纠正。