

作品包括:
Word版设计说明书1份
PPT答辩一份
CAD版本图纸,共4张
摘要
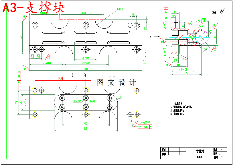
本次设计主要设计齿条磨床夹具,此夹具的优点是磨削精度高,能够进行不同零件的加工,既能加工各种柱形面又能加工各种圆柱形上有平面需要加工的工件,其应用范围非常广泛。这种夹具主要是利用磨头的上下运动和砂轮的圆周面进行磨削,砂轮的转速较高,圆周离心力也较大,当砂轮与工件的表面接触时,会瞬时磨出火花。本次设计的零件既为圆柱形工件,要求在圆柱面上利用齿条磨床磨出一个齿形面,其加工工序分为:首先在铣床上先粗铣一个平面,然后利用磨床夹具夹紧齿条,金刚滚轮对砂轮进行校正,砂轮高速旋转的过程中对平面进行磨削加工,这样就可以加工出所需要形状的工件。总之通过本次设计,使我了解了齿条磨齿夹具的组成部分及各部分所起的作用,从而使我明白了夹具的工作原理和在加工中的重要性。
温馨提示:
1、题目前面的备注【字母数字编号】为本站整理分类的编号,与课题内容无关,请选题时忽视;
2、若题目上备注三维,则表示文件里包含三维源文件,由于三维组成零件数量较多,为保证预览截图的简洁性,本站将三维文件夹进行了打包。三维及CAD预览截图,均为本站电脑打开软件进行截图的,保证能够打开,下载原件超高清,下载后解压即可;
3、本站所有资源如无特殊说明,都需要本地电脑安装Office2007。图纸软件为AutoCAD,PROE,UG,SolidWorks,CATIA等;
4、本站所有图文资料仅供用户学习参考,不作为任何商用或其他用途;
5、本站不保证下载资源的准确性、安全性和完整性, 不包修改,不支持退换,同时也不承担用户因使用这些下载资源对自己和他人造成任何形式的伤害或损失;
6、 下载文件中如有侵权或不适当内容,请与我们联系,我们立即纠正。