欢迎来到龙图网在线图文分享平台-CAD图纸,设计说明书,工业设计3D模型,三维软件下载!   客服QQ:2363701252
热搜:

工艺夹具 模具设计 数控编程 土木工程 3D模型

B095-花生脱壳机的设计 下载积分:50 资料编号: B095

1.打开支付宝或者微信扫描二维码。
2.填写金额:50 
3.添加备注,填写资料编号:
资料编号: B095
4.支付成功后,请发资料编号到邮箱:jxsj168@qq.com
会有专人在15分钟内把资料发到您邮箱
备注:如果付款忘记填写资料编号,则发邮件时附带您的交易明细截图即可。
请耐心等待,如超过30分钟还没收到,请联系客服QQ:2363701252
点击分享:

作品描述

作品包括:

说明书一份,27页,月14000字

CAD版本图纸,共10张

花生脱壳机的设计


  摘 要:花生不仅是优质油料作物,而且是主要的蛋白资源,加工品类多,产业链条长,现已成为中国重要的出口创汇产品和农业结构调整重点发展和扶持的种植品种。在消费结构和出口结构不断调整和优化的双重拉动下,花生生产得到长足发展,并逐渐向主产区相对集中,优势产业带基本形成。但是中国花生生产机械化发展却严重滞后,特别是用工量占生产全过程1/3以上、作业成本占生产总成本50%以上的收获作业,目前主要依靠人工完成,劳动强度大、作业成本高、效率低、损失大、成本高已成为生产发展与产业成长的主要瓶颈,国内对花生机械化收获技术装备的需求日趋迫切。

  关键词  花生脱壳机; 工作原理; 结构                             

 

目  录

摘要……………………………………………………………………………1

关键词……………………………………………………………………………1

1 前言……………………………………………………………………………2

2 花生脱壳机的概述………………………………………………………4

  2.1 研究重点……………………………………………………………………4 

  2.2 花生脱壳机的分类………………………………………………………5

    2.2.1按结构分类………………………………………………………5

    2.2.2按工作原理分类………………………………………………………6

  2.3 结构特点……………………………………………………………………8

  2.4 基本原理 …………………………………………………………………9

  2.5 设计依据 …………………………………………………………………10

3 传动方案拟定……………………………………………………………10

4 电动机选择………………………………………………………………11 

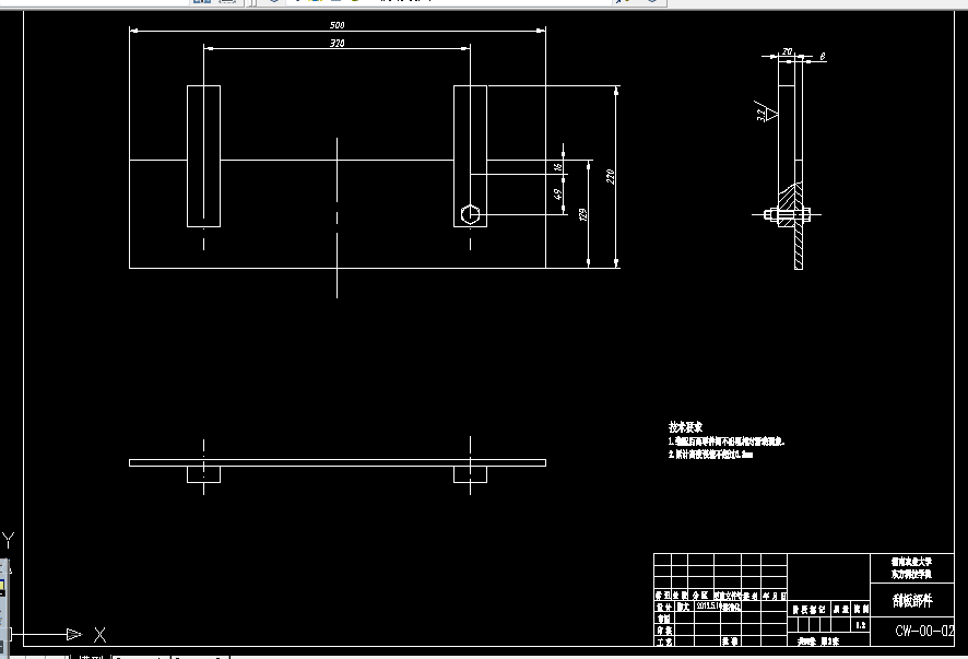
5 刮板设计…………………………………………………………………12

  5.1 刮板计算……………………………………………………………12

    5.1.1 刮板半径及转速初定…………………………………………………12

    5.1.2 刮板所需功率计算……………………………………………………12

  5.2 刮板结构……………………………………………………………13         

6 V带传动设计………………………………………………………………14

  6.1 V带传动计算………………………………………………………………14

  6.2 V带传动结构………………………………………………………………15

7 轴的设计……………………………………………………………………15

  7.1 轴的计算……………………………………………………………………15

  7.2 轴的结构……………………………………………………………………17

  7.3 轴的校核……………………………………………………………………18

8 半栅笼…………………………………………………………………………18

9 箱体…………………………………………………………………………19

10壳仁分离装置……………………………………………………………20

  10.1 风机的选择………………………………………………………………20

11机架…………………………………………………………………………21

12 料斗…………………………………………………………………………21

13 结论…………………………………………………………………………21

参考文献…………………………………………………………………………22

致谢……………………………………………………………………………23

温馨提示:

1、题目前面的备注【字母数字编号】为本站整理分类的编号,与课题内容无关,请选题时忽视;

2、若题目上备注三维,则表示文件里包含三维源文件,由于三维组成零件数量较多,为保证预览截图的简洁性,本站将三维文件夹进行了打包。三维及CAD预览截图,均为本站电脑打开软件进行截图的,保证能够打开,下载原件超高清,下载后解压即可;

3、本站所有资源如无特殊说明,都需要本地电脑安装Office2007。图纸软件为AutoCAD,PROE,UG,SolidWorks,CATIA等;

4、本站所有图文资料仅供用户学习参考,不作为任何商用或其他用途;
5、本站不保证下载资源的准确性、安全性和完整性, 不包修改,不支持退换,同时也不承担用户因使用这些下载资源对自己和他人造成任何形式的伤害或损失;

6、 下载文件中如有侵权或不适当内容,请与我们联系,我们立即纠正。


线