欢迎来到龙图网在线图文分享平台-CAD图纸,设计说明书,工业设计3D模型,三维软件下载!   客服QQ:2363701252
热搜:

工艺夹具 模具设计 数控编程 土木工程 3D模型

B138-小型菠萝削皮机的设计 下载积分:50 资料编号: B138

1.打开支付宝或者微信扫描二维码。
2.填写金额:50 
3.添加备注,填写资料编号:
资料编号: B138
4.支付成功后,请发资料编号到邮箱:jxsj168@qq.com
会有专人在15分钟内把资料发到您邮箱
备注:如果付款忘记填写资料编号,则发邮件时附带您的交易明细截图即可。
请耐心等待,如超过30分钟还没收到,请联系客服QQ:2363701252
点击分享:

作品描述

作品包括:

说明书一份,25页,约10000字

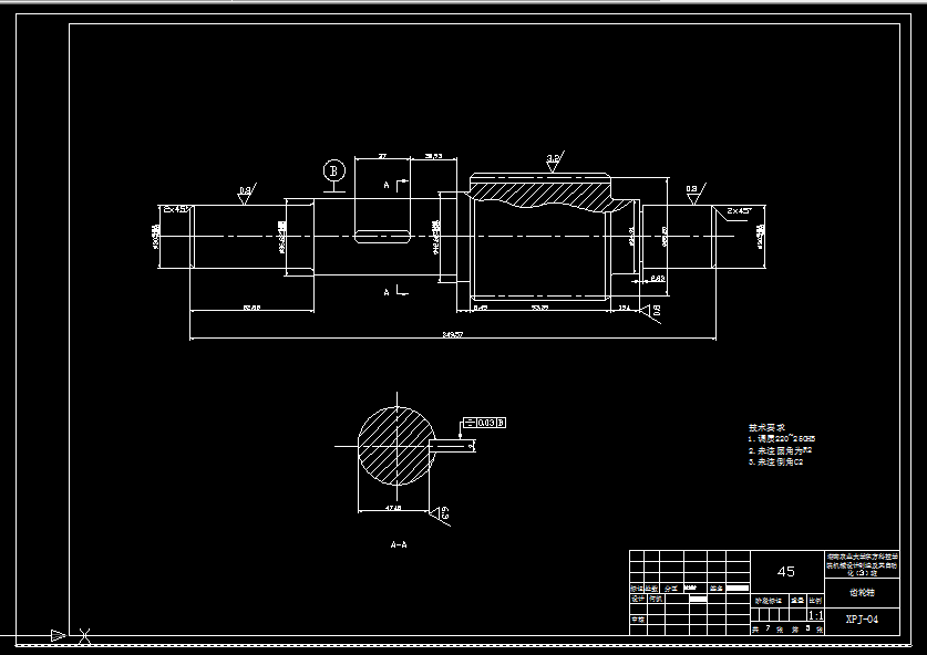
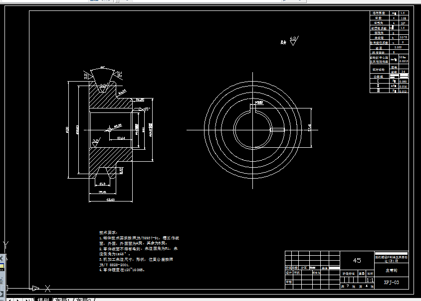
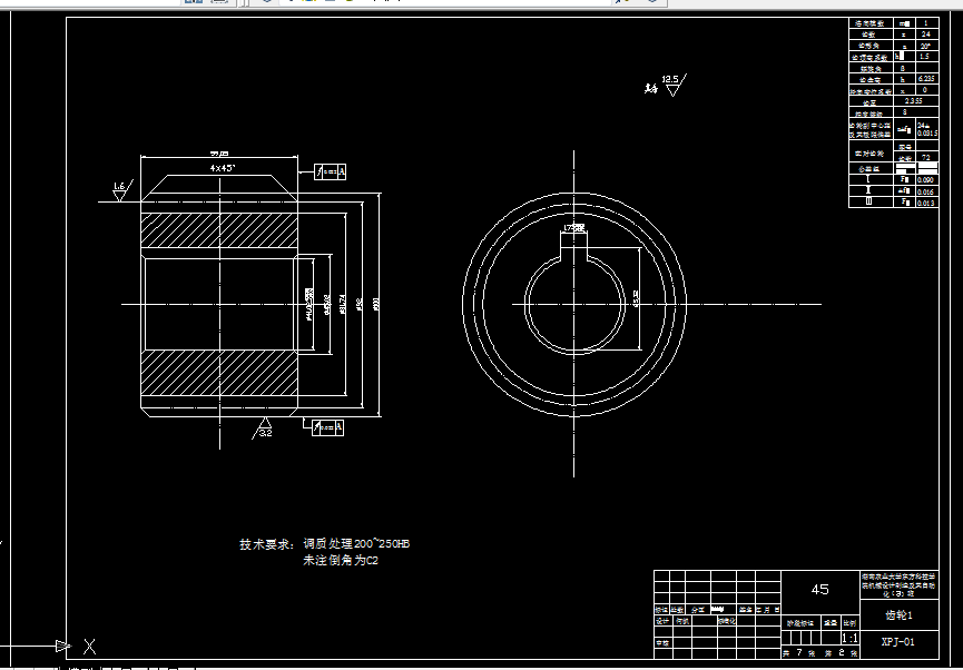
CAD版本图纸,共7张 

小型菠萝削皮机的设计

      摘  要:在我们日常生活中,水果是必不可少的一部分,菠萝就是其中的一种。所以无论是国内市场还是国外市场,它的前景都是相当广阔的。菠萝除了水果鲜食外,还可以作为美味的菜肴,设计一种安全卫生的削皮去刺工具,已越来越成为人们的迫切需求。本文设计一种机器,由皮带轮传动、齿轮传动、三角爪和丝杆传动实现菠萝的削皮去刺,代替目前人工削皮,操作方便,使用简单,提高了生活效率。

关键词:削皮去刺;皮带轮传动;齿轮传动;三角爪;丝杆传动


目录

摘要……………………………………………………………………………………1

关键词…………………………………………………………………………………1

1  前言………………………………………………………………………………2

    1.1  菠萝削皮机的概述………………………………………………………2

2  菠萝削皮机的研究现状…………………………………………………………2  

3  论文的主要任务和内容内容……………………………………………………2

4  菠萝削皮机的系统设计思路……………………………………………………3

    4.1  菠萝削皮机的性能要求…………………………………………………3

5  菠萝削皮机的基本结构及工作原理……………………………………………3

    5.1  整机机构…………………………………………………………………3

    5.2  液压控制系统……………………………………………………………4

    5.3  电气控制系统……………………………………………………………4

    5.4  传感器与检测系统………………………………………………………5

    5.5  传动机构…………………………………………………………………5

6  工作机构的设计与计算…………………………………………………………6

    6.1  运行阻力的计算…………………………………………………………6

    6.2  电动机功率的计算………………………………………………………6

7  传动机构的设计与计算…………………………………………………………6

    7.1  丝杆的设计与计算………………………………………………………6

        7.1.1  设计选择丝杆传动的原因………………………………………6

        7.1.2  丝杆的运动形式及其载荷分析…………………………………7

        7.1.3  丝杆设计的基本尺寸等参数计算………………………………8

        7.1.4  丝杆的材料与许用应力…………………………………………10

    7.2  齿轮机构的设计与计算…………………………………………………11

        7.2.1  设计选择齿轮传动的原因………………………………………11

        7.2.2  齿轮的设计及其参数的计算……………………………………11

        7.2.3  主轴齿轮的设计…………………………………………………12 

    7.3  皮带轮的设计与计算……………………………………………………17

    7.4  联轴器的选择……………………………………………………………19

        7.4.1  联轴器的分类……………………………………………………19

        7.4.2  联轴器的选用……………………………………………………20

        7.4.3  确定联轴器的型号………………………………………………21

8  结论………………………………………………………………………………22

参考文献………………………………………………………………………………23

致谢……………………………………………………………………………………24

温馨提示:

1、题目前面的备注【字母数字编号】为本站整理分类的编号,与课题内容无关,请选题时忽视;

2、若题目上备注三维,则表示文件里包含三维源文件,由于三维组成零件数量较多,为保证预览截图的简洁性,本站将三维文件夹进行了打包。三维及CAD预览截图,均为本站电脑打开软件进行截图的,保证能够打开,下载原件超高清,下载后解压即可;

3、本站所有资源如无特殊说明,都需要本地电脑安装Office2007。图纸软件为AutoCAD,PROE,UG,SolidWorks,CATIA等;

4、本站所有图文资料仅供用户学习参考,不作为任何商用或其他用途;
5、本站不保证下载资源的准确性、安全性和完整性, 不包修改,不支持退换,同时也不承担用户因使用这些下载资源对自己和他人造成任何形式的伤害或损失;

6、 下载文件中如有侵权或不适当内容,请与我们联系,我们立即纠正。


线