

作品包括:
说明书一份,35页,约18000字
CAD版本图纸,共8张
气动机械手设计
摘 要:气动机械手是能模仿人手和臂的某些动作功能,用以按固定程序抓取、搬运物件或操作工具的自动操作装置。它可代替人的繁重劳动以实现生产的机械化和自动化,能在有害环境下操作以保护人身安全,因而广泛应用于机械制造、冶金、电子、轻工和原子能等部门。
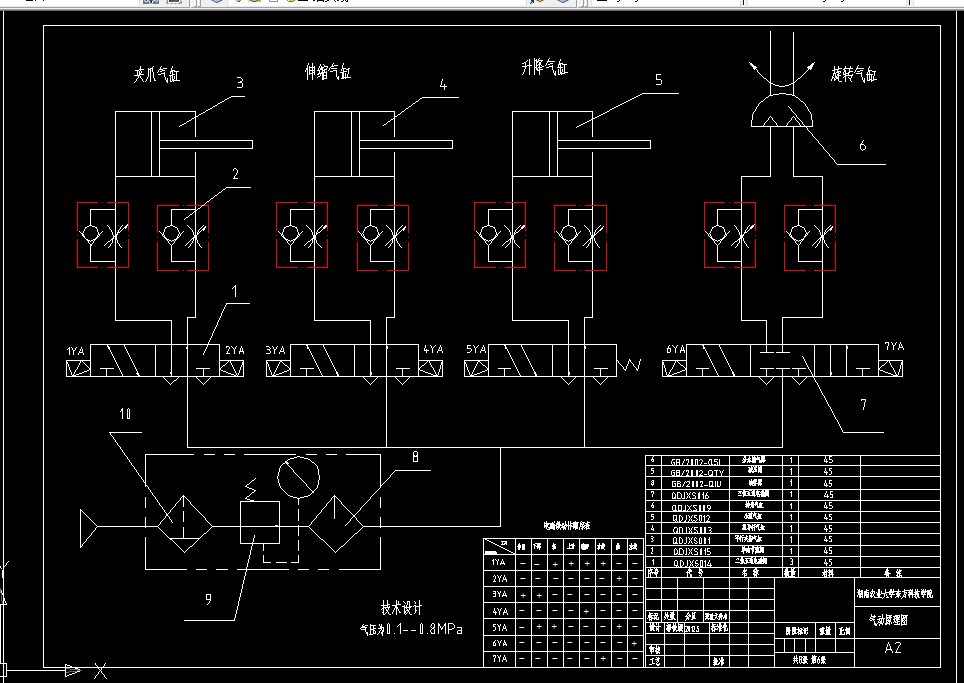
本文主要进行了气动机械手的总体结构设计、气动设计和PLC控制系统。机械手的机械结构由气缸、气爪和连接件组成,可按预定轨迹运动,实现对工件的抓取、搬运和卸载。气动部分的设计主要是选择合适的控制阀,设计合理的气动控制回路,通过控制和调节各个气缸压缩空气的压力、流量和方向来使气动执行机构获得必要的力、动作速度和改变运动方向,并按规定的程序工作。
关键词:气动机械手;气动回路;PLC控制系统
目 录
摘要 1
关键词 1
1 前言 2
1.1 选课研究意义 2
1.2 国内外气动机械手发展简史概况 2
1.3 国内气动机械手未来发展方向 4
1.4 目前国内常见的机械手类型 4
1.4.1 按驱动方式分类 4
1.4.2 按用途分类 5
1.4.3 按操作机的位置机构类型和自由度数量分类 5
1.4.4 按其他方式分类 5
1.5 气动机械手的组成 5
2 总体方案拟定 7
2.1 原理分析 7
2.1.1 目的 7
2.1.2 设计内容 7
2.1.3 方案选择 8
2.1.4 方案的比较 9
2.2 总体结构方案 9
2.2.1 总体结构 9
2.2.2 机械手的运动规划 10
2.2.3 机械手主要部件以及运动 10
2.3 各执行机构主要参数的初步确定 11
2.3.1 设计技术参数 11
2.4 气动回路的设计和参数的计算 11
3 主要部件的选择和设计 12
3.1 机械手末端执行器的设计 12
3.1.1 平行夹指气缸的设计 12
3.1.2 末端执行器的运动和驱动方式 12
3.1.3 末端执行器的典型结构 13
3.1.4 末端执行器的具体设计 13
3.2 机械手臂设计要求 15
3.2.1 机械手臂设计要求 15
3.2.2 机械手臂具体设计方案前活塞杆上输出力和缸径的计算 16
3.2.3 机械手臂的具体设计方案 17
3.2.4 伸缩手臂的设计 18
3.2.5 升降手臂的设计 20
3.3 机械手臂腰部的设计计算 22
3.3.1 回转部分的设计 22
3.4 机械手中横梁的设计计算 24
3.4.1 载荷计算 24
3.4.2 强度计算 25
3.5 机械手底座的设计 26
4 气动机械手控制系统的设计 26
4.1 系统结构和功能介绍 27
4.2 PLC控制系统的设计 28
4.2.1 PLC I/O 表和I/O连接图 28
4.2.2 控制程序设计 29
5 结束语 30
参考文献 31
致谢 32
附录 33
温馨提示:
1、题目前面的备注【字母数字编号】为本站整理分类的编号,与课题内容无关,请选题时忽视;
2、若题目上备注三维,则表示文件里包含三维源文件,由于三维组成零件数量较多,为保证预览截图的简洁性,本站将三维文件夹进行了打包。三维及CAD预览截图,均为本站电脑打开软件进行截图的,保证能够打开,下载原件超高清,下载后解压即可;
3、本站所有资源如无特殊说明,都需要本地电脑安装Office2007。图纸软件为AutoCAD,PROE,UG,SolidWorks,CATIA等;
4、本站所有图文资料仅供用户学习参考,不作为任何商用或其他用途;
5、本站不保证下载资源的准确性、安全性和完整性, 不包修改,不支持退换,同时也不承担用户因使用这些下载资源对自己和他人造成任何形式的伤害或损失;
6、 下载文件中如有侵权或不适当内容,请与我们联系,我们立即纠正。