

作品包括:
Word版设计说明书1份,共32页,约10000字
CAD版本图纸,共11张
Proe三维图一套
摘要
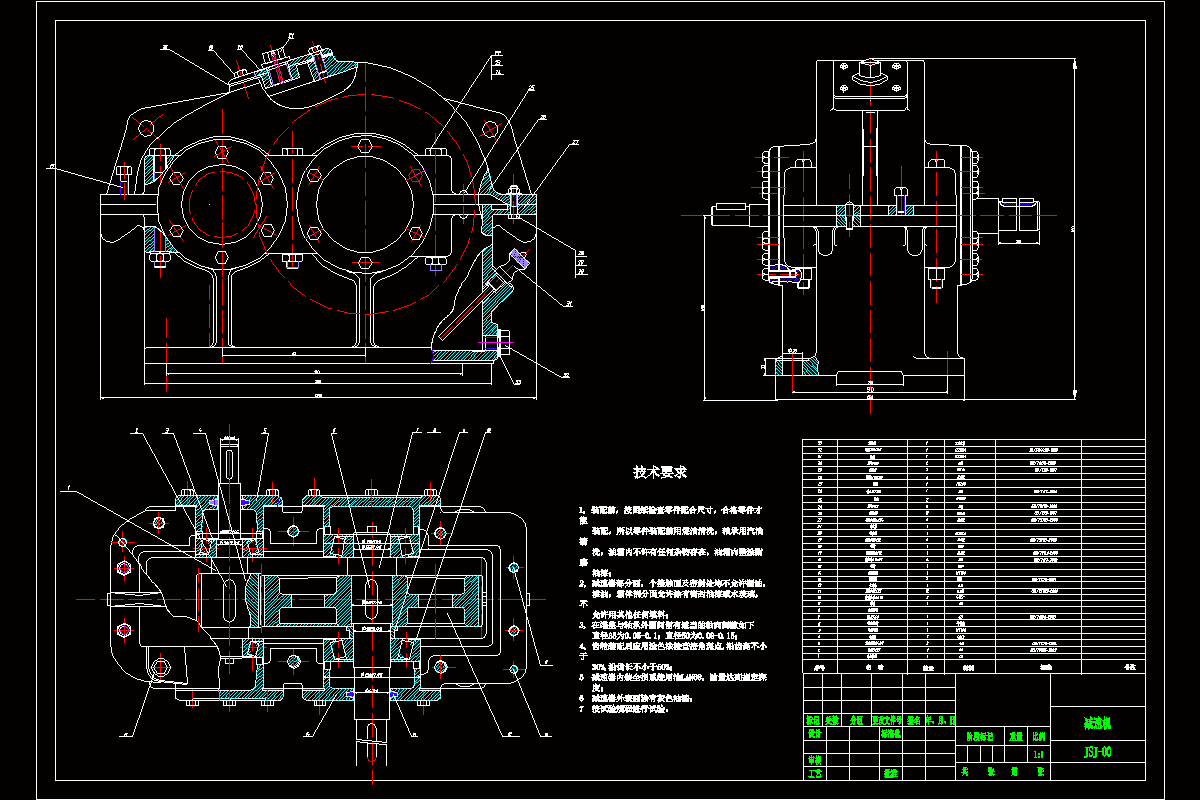
本文的基本研究课题是衣服的烘干机设计,在查阅大量的文献的基础上本文分析了衣服类型的烘干机的基本研究背景以及国内外的基本研究情况,分析滚筒式烘干机的基本作业原理,对里面的基本传动结构的基本参数予以了计算,对传动中的带传动和齿轮传动进行了设计分析,并校核了滚筒轴结构部件,分析了本文的建模软件PROE的基本性能,并运用PROE软件,建立了本文研究的衣服烘干机的三维模型,并最终对烘干机在日常的维护保养事项做了研究分析。
关键字:衣服、滚筒、烘干机
温馨提示:
1、题目前面的备注【字母数字编号】为本站整理分类的编号,与课题内容无关,请选题时忽视;
2、若题目上备注三维,则表示文件里包含三维源文件,由于三维组成零件数量较多,为保证预览截图的简洁性,本站将三维文件夹进行了打包。三维及CAD预览截图,均为本站电脑打开软件进行截图的,保证能够打开,下载原件超高清,下载后解压即可;
3、本站所有资源如无特殊说明,都需要本地电脑安装Office2007。图纸软件为AutoCAD,PROE,UG,SolidWorks,CATIA等;
4、本站所有图文资料仅供用户学习参考,不作为任何商用或其他用途;
5、本站不保证下载资源的准确性、安全性和完整性, 不包修改,不支持退换,同时也不承担用户因使用这些下载资源对自己和他人造成任何形式的伤害或损失;
6、 下载文件中如有侵权或不适当内容,请与我们联系,我们立即纠正。