

作品包括:
Word版设计说明书1份,共24页,约7200字
任务书一份
外文翻译一份
CAD版本图纸,共8张
UG三维图一套
摘要
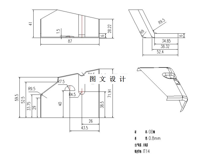
翻边是将扳料、型材、管材或棒料等按设计要求弯成一定的角度和一定的曲率,形成所需形状零件的冲压工序。是塑性成形工序的主要工序类型之一。 翻边方法包括压翻、滚翻、扭翻、折翻和接翻等,其中压翻是最常用的翻边方式。压翻常在压力机上利用模具进行,所用设备大多为通用的机械压力机或液压机;折翻常用专用折翻压力机,常用的滚翻设备是卷板机。
温馨提示:
1、题目前面的备注【字母数字编号】为本站整理分类的编号,与课题内容无关,请选题时忽视;
2、若题目上备注三维,则表示文件里包含三维源文件,由于三维组成零件数量较多,为保证预览截图的简洁性,本站将三维文件夹进行了打包。三维及CAD预览截图,均为本站电脑打开软件进行截图的,保证能够打开,下载原件超高清,下载后解压即可;
3、本站所有资源如无特殊说明,都需要本地电脑安装Office2007。图纸软件为AutoCAD,PROE,UG,SolidWorks,CATIA等;
4、本站所有图文资料仅供用户学习参考,不作为任何商用或其他用途;
5、本站不保证下载资源的准确性、安全性和完整性, 不包修改,不支持退换,同时也不承担用户因使用这些下载资源对自己和他人造成任何形式的伤害或损失;
6、 下载文件中如有侵权或不适当内容,请与我们联系,我们立即纠正。