

作品包括:
Word版设计说明书1份,共44页,约11000字
CAD版本图纸,共2张
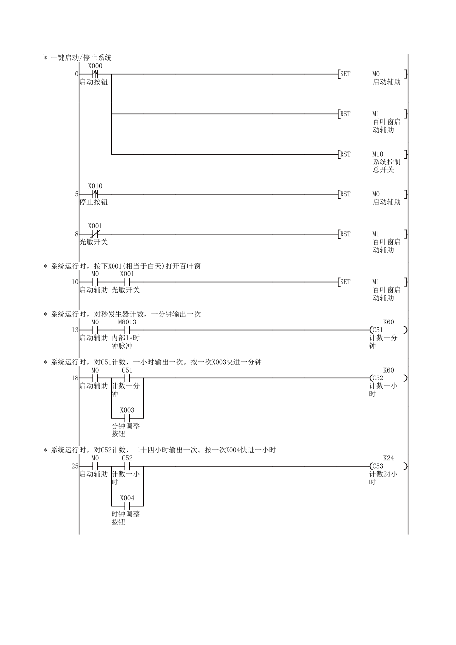
PLC程序一份

摘要
近年来,随着电子技术的不断发展和人们生活水平的日益提高,人们对生活质量的要求也越来越高,智能家居的出现正好满足了人们的需求。智能家居是以住宅为平 台,兼备 建筑、网络通讯、讯息家电、设备自动化,集系统、结构、服务、管理为一体的高效、舒适、安全、便利、环保的居住环境。 由于传感技术、控制技术、计算机技术的不断发展,安全的防范的措施由原来的高墙铁门发展到现在的看不到的墙,安全系数是原来的几倍。但是此项技术尚处于发展阶段,所以产品也是各种各样,良莠不齐。有的系统稳定性较好,安全系数高,但是价格较高,适用于保密级别高的场所应用。有的系统虽然价格较低,普通社区可以承受,但是性能不够稳定,经常发生漏报误报,失去了安全防范的作用。所以设计一套安全系数较高,而且价格较低的安全防范系统有很重要的意义。 文档设计的智能家居系统是一个集安全防护、自动控制于一体的复杂系统。控制主机是智能家居系统的核心部件。说明书简要介绍了智能家居系统的设计原则和要求,给出了控制主机的硬件方案,重点给出了控制主机的PLC软件设计。还具体设计了灯光控制软件模块,通过 PLC 总线实现了室内灯光控制。最后,通过实际测试,说明书设计的控制主机能够完成控制多个窗户、控制多个电灯等功能。
温馨提示:
1、题目前面的备注【字母数字编号】为本站整理分类的编号,与课题内容无关,请选题时忽视;
2、若题目上备注三维,则表示文件里包含三维源文件,由于三维组成零件数量较多,为保证预览截图的简洁性,本站将三维文件夹进行了打包。三维及CAD预览截图,均为本站电脑打开软件进行截图的,保证能够打开,下载原件超高清,下载后解压即可;
3、本站所有资源如无特殊说明,都需要本地电脑安装Office2007。图纸软件为AutoCAD,PROE,UG,SolidWorks,CATIA等;
4、本站所有图文资料仅供用户学习参考,不作为任何商用或其他用途;
5、本站不保证下载资源的准确性、安全性和完整性, 不包修改,不支持退换,同时也不承担用户因使用这些下载资源对自己和他人造成任何形式的伤害或损失;
6、 下载文件中如有侵权或不适当内容,请与我们联系,我们立即纠正。