欢迎来到龙图网在线图文分享平台-CAD图纸,设计说明书,工业设计3D模型,三维软件下载!   客服QQ:2363701252
热搜:

工艺夹具 模具设计 数控编程 土木工程 3D模型

B310-福田伽途BJ1036微型货车驱动桥设计 下载积分:50 资料编号: B310

1.打开支付宝或者微信扫描二维码。
2.填写金额:50 
3.添加备注,填写资料编号:
资料编号: B310
4.支付成功后,请发资料编号到邮箱:jxsj168@qq.com
会有专人在15分钟内把资料发到您邮箱
备注:如果付款忘记填写资料编号,则发邮件时附带您的交易明细截图即可。
请耐心等待,如超过30分钟还没收到,请联系客服QQ:2363701252
点击分享:

作品描述

作品包括:

说明书1份,共64页,约28000字左右

CAD版本本图纸,共6张


摘  要


驱动桥位于传动系末端,其基本功用是增矩、降速,承受作用于路面和车架或车身之间的作用力。它的性能好坏直接影响整车性能,而对于载重汽车显得尤为重要。轻型货车在商用货运汽车生产中占有很大的比重,为满足目前当前载货汽车的高速度、高效率、高效益的需要,必须要搭配一个高效、可靠的驱动桥。因此设计出结构简单、工作可靠、造价低廉的驱动桥,能大大降低整车生产的总成本,推动汽车经济的发展,并且通过对汽车驱动桥的学习和设计实践,可以更好的学习并掌握现代汽车设计与机械设计的全面知识和技能,所以本课题设计一款结构优良的轻型货车驱动桥具有一定的实际意义。

驱动桥设计应主要保证汽车在给定的条件下具有最佳的动力性和燃油经济性。本设计根据给定的参数,按照传统设计方法并参考同类型车确定汽车总体参数,再确定主减速器、差速器、半轴和桥壳的结构类型,最后进行参数设计并对主减速器主、从动齿轮、半轴齿轮和行星齿轮进行强度以及寿命的校核。驱动桥设计过程中基本保证结构合理,符合实际应用,总成及零部件的设计能尽量满足零件的标准化、部件的通用化和产品的系列化及汽车变型的要求,修理、保养方便,机件工艺性好,制造容易。


关键词:驱动桥;单级主减速器;差速器;半轴;桥壳



目  录


摘要………………………………………………………………………………………Ⅰ

Abstract ………………………………………………………………………………Ⅱ

第1章 绪论 1

1.1 论文研究的背景及意义 1

1.2 国内外研究现状 2

1.2.1 国外研究现状 2

1.2.2 国内研究现状 3

1.3 设计的主要内容 4

第2章 驱动桥总体方案设计 5

2.1 汽车车桥的种类 5

2.2 驱动桥的种类 5

2.2.1 非断开式驱动桥 5

2.2.2 断开式驱动桥 6

2.3 多驱动桥的布置 6

2.4 驱动桥的设计要求 7

2.5 设计车型参数 7

2.6 主减速器方案 8

2.6.1 主传动比 的确定 8

2.6.2 主减速器的齿轮类型 9

2.6.3 主减速器的减速形式 10

2.6.4 主减速器主从动锥齿轮的支撑方案 11

2.7 差速器结构方案的确定 12

2.8 半轴形式的确定 13

2.9 桥壳形式的确定 14

2.10 本章小结 15

第3章 主减速器设计 16

 

3.1 概述 16

3.2 主减速器齿轮参数的选择及强度计算 16

3.2.1 主减速器齿轮计算载荷的确定 16

3.2.2 锥齿轮主要参数的选择 17

3.2.3 主减速器齿轮材料的选择 21

3.2.4 主减速器齿轮强度的计算 21

3.3 主减速器轴承的选择 25

3.4 主减速器的润滑 30

3.5 本章小结 30

第4章 差速器设计 31

4.1概述 31

4.2 对称式行星齿轮差速器工作原理 31

4.3 对称式行星齿轮差速器的结构 32

4.4 对称式行星圆锥齿轮设计 32

4.4.1 差速器齿轮的材料 32

4.4.2 差速器齿轮的基本参数选择 33

4.4.3 差速器齿轮几何尺寸计算 35

4.4.4 差速器齿轮强度计算 36

4.5 本章小结 38

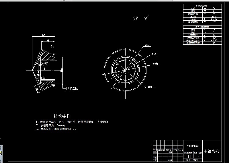
第5章 半轴设计 39

5.1 概述 39

5.2 半轴的设计 39

5.2.1半轴材料与热处理 39

5.2.2半浮式半轴的计算载荷的确定 39

5.2.3半浮半轴杆部直径的初选 41

5.2.4半浮半轴强度计算 41

5.2.5半浮式半轴花键强度计算 42

5.3 本章小结 43

第6章 驱动桥桥壳的设计 44

6.1 概述 44

6.2 桥壳的受力分析及强度计算 44

 

6.2.1桥壳的静弯曲应力计算 44

6.2.2在不平路面冲击载荷作用下桥壳的强度计算 46

6.2.3汽车以最大牵引力行驶时的桥壳的强度计算 46

6.2.4汽车紧急制动时的桥壳强度计算 47

6.2.5 汽车受最大侧向力时桥壳的强度计算 50

6.3 本章小结 53

结论………………………………………………………………………………………54

参考文献 ………………………………………………………………………………55

致谢…………..……………………………………………………………56

温馨提示:

1、题目前面的备注【字母数字编号】为本站整理分类的编号,与课题内容无关,请选题时忽视;

2、若题目上备注三维,则表示文件里包含三维源文件,由于三维组成零件数量较多,为保证预览截图的简洁性,本站将三维文件夹进行了打包。三维及CAD预览截图,均为本站电脑打开软件进行截图的,保证能够打开,下载原件超高清,下载后解压即可;

3、本站所有资源如无特殊说明,都需要本地电脑安装Office2007。图纸软件为AutoCAD,PROE,UG,SolidWorks,CATIA等;

4、本站所有图文资料仅供用户学习参考,不作为任何商用或其他用途;
5、本站不保证下载资源的准确性、安全性和完整性, 不包修改,不支持退换,同时也不承担用户因使用这些下载资源对自己和他人造成任何形式的伤害或损失;

6、 下载文件中如有侵权或不适当内容,请与我们联系,我们立即纠正。


线