

作品包括:
说明书1份,共28页,约9600字左右
CAD版本本图纸,共8张
SW三维图一份
前 言
果业是人类生存和社会发展的经济基础,果业产业应该是一个可持续发展的产业。因而,随着世界性果业日益发展,寻找新的果园发展方式摆在了人们的面前。
枣业是果业中的一种,在新疆南疆一带种植广泛,果园收获作业是果园生产全过程中重要的环节,枣树收获用工量多,劳动强度大。传统的人工收获方法,每公顷需几百个工时,占果园生产过程中总用工量的50%左右,效率大大降低。因此,果园收获机械化一直是国内外研究工作的重点。当前,果园收获机械化在已作为一种比较成熟技术在国外被广泛采用,机械收获的生产效率与人工相比提高了5~10 倍,大大的提高了效率。机械采收的方法主要有振摇法和梳刷法,振摇法是应用最多的一种机械采收方法,是国外应用较多、适用性较好的采收机型。然而,国内果园收获主要依靠人工摘或借助简单工具采摘,林果采收机械的研究在我国仍处于起步阶段,尚未见比较成熟的实用机具报道。目前,随着新疆特色林果,尤其是红枣等林果的产业化发展,依靠人工采收已不能满足产业化生产的需要。
针对国内尤其是新疆果园采收机械的研究现状和林果业机械化发展的新的形式及要求,研究并设计机械振动式林果采收机,对于发展并提高我国林果收获机械化水平具有十分重大的意义。
关键词:红枣;收获机;振动式
目 录
1绪论 1
1.1课题研究的目的及意义 1
1.2国内外水果采摘机械的现状 1
1.3国外现状水果采摘机械的现状 2
1.4本课题需要重点研究的关键问题及解决思路 2
2总体方案拟定 3
2.1方案来源 3
2.2总体方案设计 3
3总体计算 5
3.1传动比分配 5
3.2效率计算 5
3.3功率计算 5
3.4转矩计算 5
4主要零部件设计 6
4.1减速机的选择 6
4.2V带的设计计算 6
4.3带轮计算 8
4.4滚子链传动设计计算 9
4.5链轮计算 10
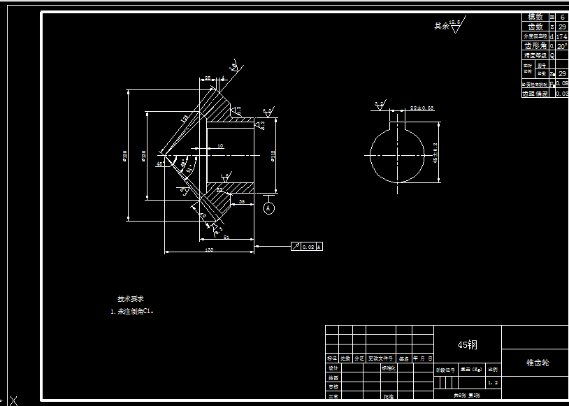
4.6直齿圆锥齿轮计算 11
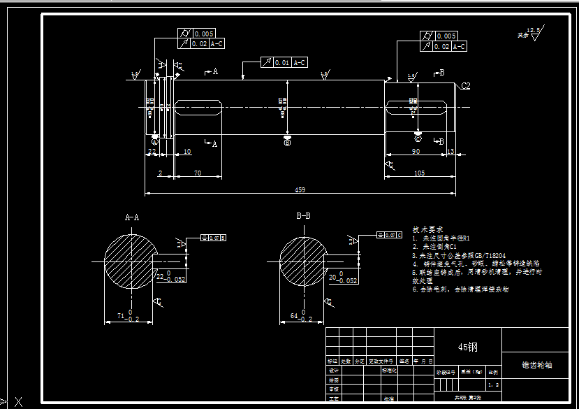
4.7轴的设计 15
5轴的校核 19
5.1按扭转刚度条件计算 19
5.2校核轴的疲劳强度 19
6辅助部件 21
6.1键的选择 21
6.2联轴器的选择 21
6.3轴承选择 21
7总 结 22
致 谢 23
参考文献 24
温馨提示:
1、题目前面的备注【字母数字编号】为本站整理分类的编号,与课题内容无关,请选题时忽视;
2、若题目上备注三维,则表示文件里包含三维源文件,由于三维组成零件数量较多,为保证预览截图的简洁性,本站将三维文件夹进行了打包。三维及CAD预览截图,均为本站电脑打开软件进行截图的,保证能够打开,下载原件超高清,下载后解压即可;
3、本站所有资源如无特殊说明,都需要本地电脑安装Office2007。图纸软件为AutoCAD,PROE,UG,SolidWorks,CATIA等;
4、本站所有图文资料仅供用户学习参考,不作为任何商用或其他用途;
5、本站不保证下载资源的准确性、安全性和完整性, 不包修改,不支持退换,同时也不承担用户因使用这些下载资源对自己和他人造成任何形式的伤害或损失;
6、 下载文件中如有侵权或不适当内容,请与我们联系,我们立即纠正。