

作品包括:
Word版设计说明书1份
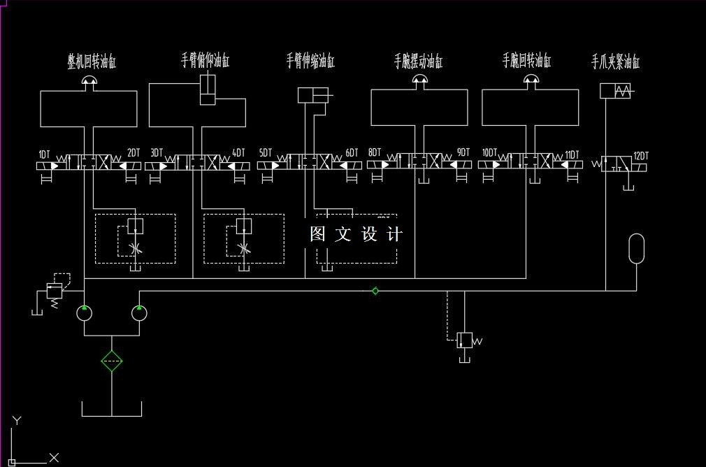
CAD版本图纸,共8张
SW三维图一套
摘要
随着科学技术的发展,生产率水平的提高,人们对产品精度和质量的要求越来越来严格。因此,企业生产线的自动化程度要求越来越高,机械手也越来越来多地被应用,工业机械手已成为多数企业生产线上必不可少的设备。 1. 给出条件: 最大抓取重量:15KG 工件最大尺寸(长x宽x高):250x170x140mm 最大操作范围:提升高度1m;回转半径1.5m;行走范围≤30m 机械手自由度:5个 定位精度:0.5-1mm 装料高度:1050mm;输送轨道宽度:350mm;输送速度:20m/min 生产纲领:10万件/年:生产节拍:3min/件
温馨提示:
1、题目前面的备注【字母数字编号】为本站整理分类的编号,与课题内容无关,请选题时忽视;
2、若题目上备注三维,则表示文件里包含三维源文件,由于三维组成零件数量较多,为保证预览截图的简洁性,本站将三维文件夹进行了打包。三维及CAD预览截图,均为本站电脑打开软件进行截图的,保证能够打开,下载原件超高清,下载后解压即可;
3、本站所有资源如无特殊说明,都需要本地电脑安装Office2007。图纸软件为AutoCAD,PROE,UG,SolidWorks,CATIA等;
4、本站所有图文资料仅供用户学习参考,不作为任何商用或其他用途;
5、本站不保证下载资源的准确性、安全性和完整性, 不包修改,不支持退换,同时也不承担用户因使用这些下载资源对自己和他人造成任何形式的伤害或损失;
6、 下载文件中如有侵权或不适当内容,请与我们联系,我们立即纠正。