

作品包括:
Word版设计说明书1份
CAD版本图纸,共5张
摘要
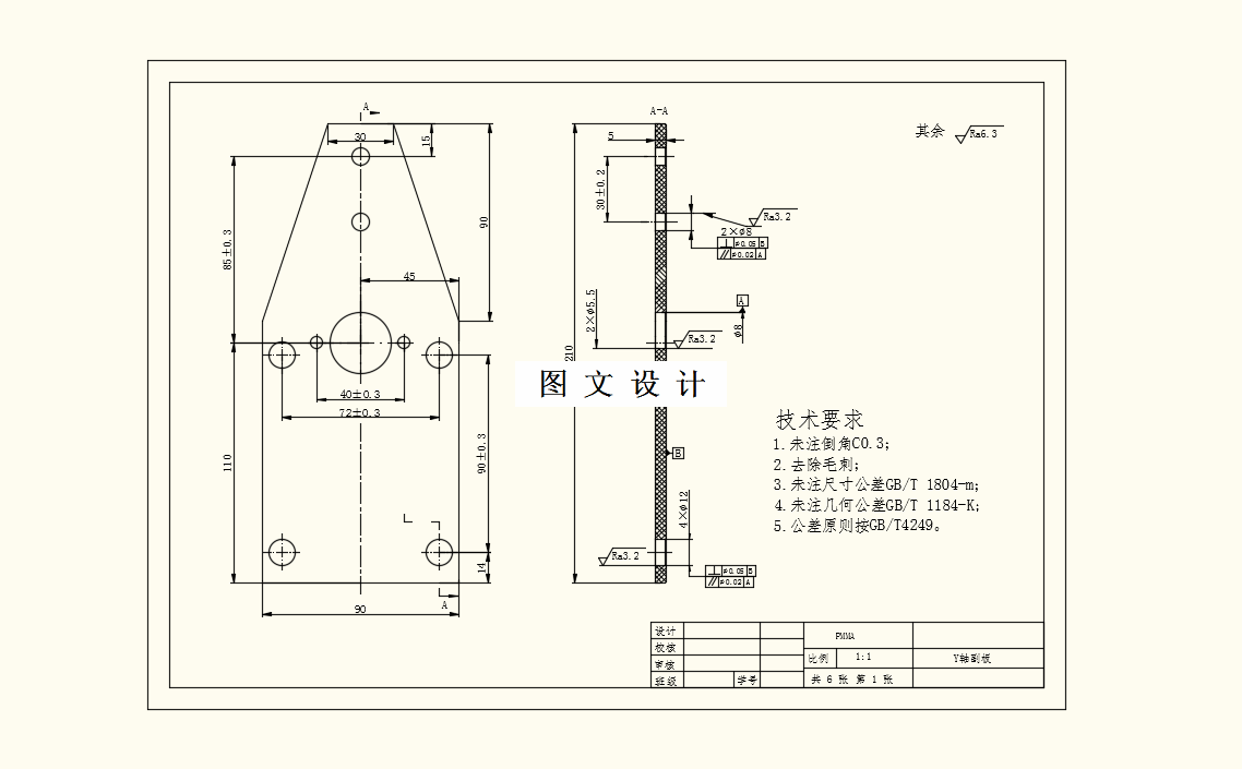
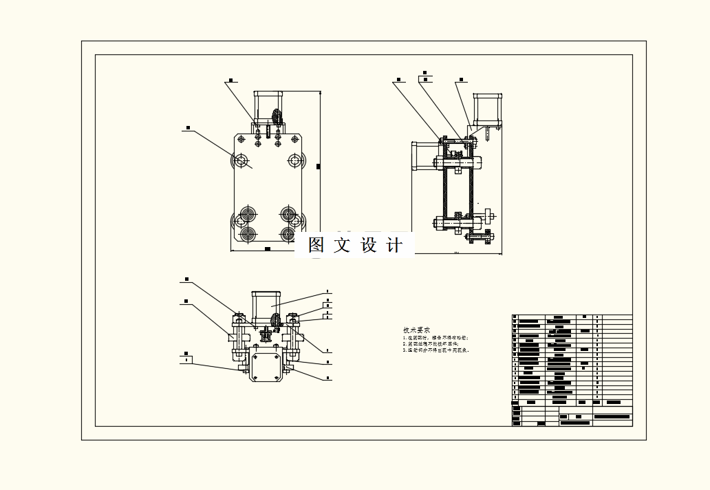
本次设计通过分析激光雕刻机的发展概况和发展现状以及未来发展状况,提出了比较实用的三种激光雕刻机结构方案和方案的比较,并通过理论计算完成激光雕刻机的理论基础。本次设计的激光雕刻机采用了龙门架移动定梁式结构,该结构在 X 轴和 Y 轴方向的传动方式采用 H 型运动方式,通过同步轮与同步带的啮合,同步带保持静止,同步轮与轴承之间距离不变使得同步带在同步轮与轴承之间产生拉紧力,该拉紧力使得各部件之间保持不变的相对关系。通过设计计算对轴和轴承进行校核并校核合格,通过三维装配和虚拟仿真对雕刻机进行真实运动情况的模拟和碰撞检测。因为在材料质量较轻,携带方便,可雕刻大部分不可移动物体,通过固定雕刻机可实现。采用三轴的运动方式使得该激光雕刻机可以雕刻所需要雕刻的物体,解决了雕刻机二维雕刻的不足。
温馨提示:
1、题目前面的备注【字母数字编号】为本站整理分类的编号,与课题内容无关,请选题时忽视;
2、若题目上备注三维,则表示文件里包含三维源文件,由于三维组成零件数量较多,为保证预览截图的简洁性,本站将三维文件夹进行了打包。三维及CAD预览截图,均为本站电脑打开软件进行截图的,保证能够打开,下载原件超高清,下载后解压即可;
3、本站所有资源如无特殊说明,都需要本地电脑安装Office2007。图纸软件为AutoCAD,PROE,UG,SolidWorks,CATIA等;
4、本站所有图文资料仅供用户学习参考,不作为任何商用或其他用途;
5、本站不保证下载资源的准确性、安全性和完整性, 不包修改,不支持退换,同时也不承担用户因使用这些下载资源对自己和他人造成任何形式的伤害或损失;
6、 下载文件中如有侵权或不适当内容,请与我们联系,我们立即纠正。