欢迎来到龙图网在线图文分享平台-CAD图纸,设计说明书,工业设计3D模型,三维软件下载!   客服QQ:2363701252
热搜:

工艺夹具 模具设计 数控编程 土木工程 3D模型

M8247-重卷机圆盘剪装置设计 下载积分:100 资料编号: M8247

1.打开支付宝或者微信扫描二维码。
2.填写金额:100 
3.添加备注,填写资料编号:
资料编号: M8247
4.支付成功后,请发资料编号到邮箱:jxsj168@qq.com
会有专人在15分钟内把资料发到您邮箱
备注:如果付款忘记填写资料编号,则发邮件时附带您的交易明细截图即可。
请耐心等待,如超过30分钟还没收到,请联系客服QQ:2363701252
点击分享:

作品描述

作品包括:

Word版设计说明书1份

CAD版本图纸,共6张

摘要

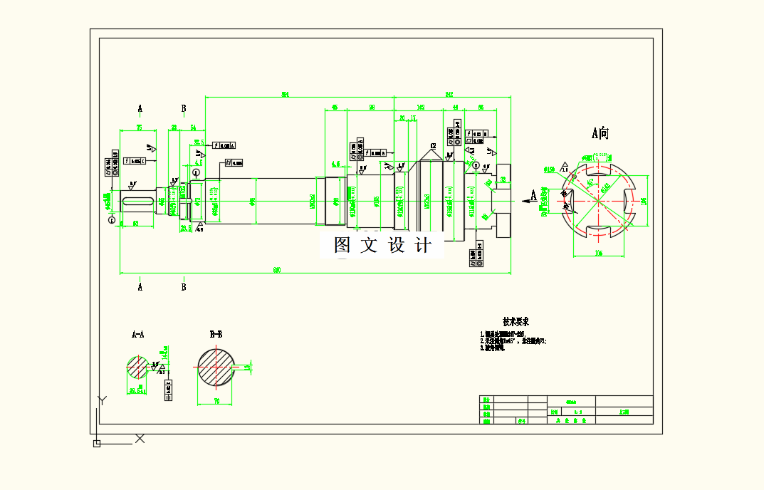
重卷机列作为该现代化生产工艺的技术装备之一,主要由开卷机组、入口侧夹送辊装置、圆盘剪、出口侧夹送辊装置、卷取机组和装(卸)卷小车这六大部分组成。圆盘剪不但用于重卷机列,还被广泛用于横剪机列的切边。事实上,圆盘剪用于剪切带材的边部,把宽带材剪切成为窄带材,被广泛应用于钢板的“带式”生产工艺。因此,圆盘剪具有广泛的应用发展前景。圆盘剪又包括圆盘剪切装置和底座装置,我所设计的课题主要围绕圆盘剪切装置这一部分展开。圆盘剪是产品生产过程的一个重要装置,剪切工作的好坏将会直接影响到产品的质量问题。因此,我们此次设计从实际工作环境出发,我们整个设计小组一行人在江苏财发铝业进行了为期一周的实习,对于圆盘剪在实际使用中可能经常出现的问题有了一定研究,查阅了相关的资料,运用到课题设计计算中去并有了一定的进展,为设计过程的快速展开奠定了坚实的基础。 由于圆盘式剪切装置的刀片是旋转的圆盘,故而可以连续横向剪切运动的铝带卷,以满足现代工业发展大批量生产的需求。圆盘剪切装置通常设置在精整的作业线上,被用于将运动的板材横向切齐或是剪切为窄带材。我此次选圆盘剪切装置设计作为设计题目是基于对1700横切机组进行了现场调研的背景来完成设计的,针对圆盘剪使用过程中存在的一些问题,该厂也对剪切机进行了多次改造。此次设计的重点是完成齿轮减速机和传动电机的选型设计计算、完成圆盘剪主轴的强度校核、完成分齿箱传动齿轮的弯曲强度和接触强度设计校核。


温馨提示:

1、题目前面的备注【字母数字编号】为本站整理分类的编号,与课题内容无关,请选题时忽视;

2、若题目上备注三维,则表示文件里包含三维源文件,由于三维组成零件数量较多,为保证预览截图的简洁性,本站将三维文件夹进行了打包。三维及CAD预览截图,均为本站电脑打开软件进行截图的,保证能够打开,下载原件超高清,下载后解压即可;

3、本站所有资源如无特殊说明,都需要本地电脑安装Office2007。图纸软件为AutoCAD,PROE,UG,SolidWorks,CATIA等;

4、本站所有图文资料仅供用户学习参考,不作为任何商用或其他用途;
5、本站不保证下载资源的准确性、安全性和完整性, 不包修改,不支持退换,同时也不承担用户因使用这些下载资源对自己和他人造成任何形式的伤害或损失;

6、 下载文件中如有侵权或不适当内容,请与我们联系,我们立即纠正。


线