

作品包括:
Word版设计说明书1份
CAD版本图纸,共5张
摘要
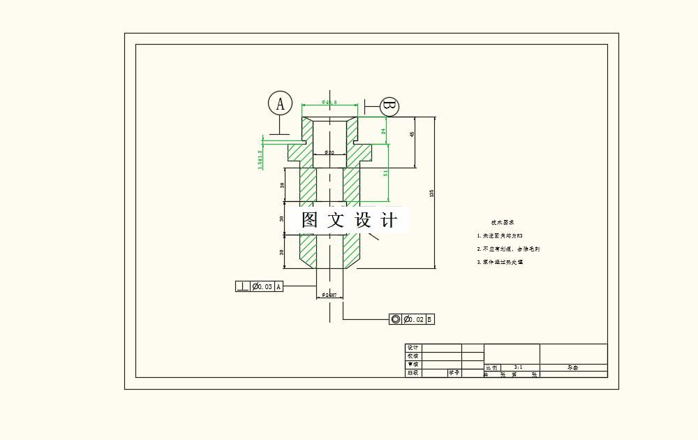
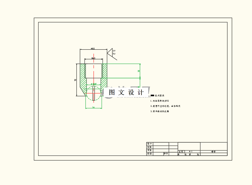
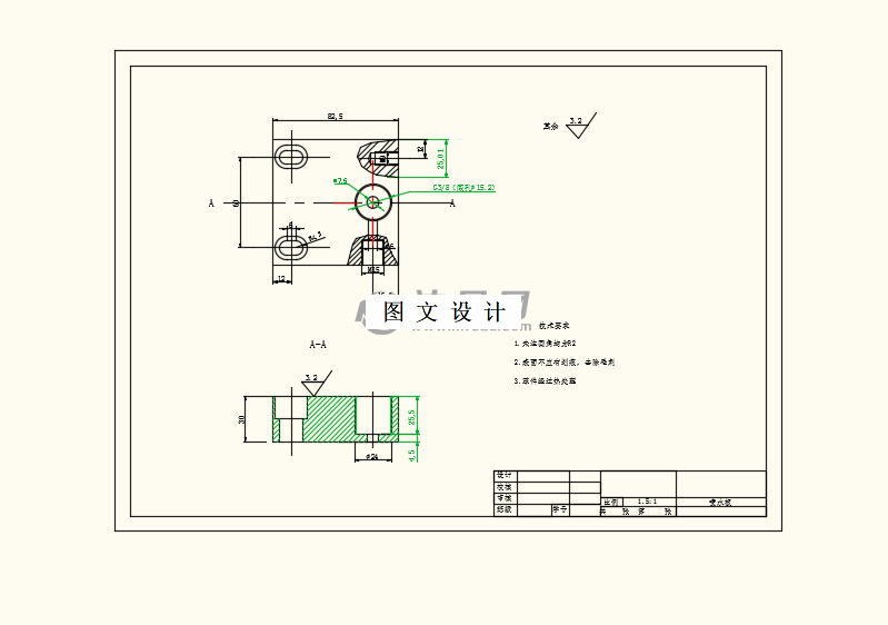
当前,随着当前社会的发展,越来越多的机械产品向高精度,高复杂度的方向发展, 具有复杂结构和特殊加工工艺的产品越来越多,这就使得普通的加工手段已经难以实现切 割的需求。电火花线切割因为有着在复杂环境下,能切割出具有高精度,高耐磨性的材料, 因此越来越受到社会的需要。在先进制造技术领域,因其具有加工精度高,表面质量好等 特点,电火花线切割加工技术发展迅速。 如今的机械加工中,人们对产品的精度要求,耐用度的要求越来越高,所以对相关领 域机械加工的高精度、高硬度、耐磨性和耐腐蚀性也不断提高。高致密、高表面质量的物 理因素,以及耐腐蚀耐高温的稳定化学因素,和良好的机械性能的硬质合金,广泛用于机 械加工行业中。但是,由于其本身固有的特性,普通机床难以实现加工,因此电火花线切 割是加工硬质合金的比较好的加工方法。如何提高加工质量成为国内外学者的研究方向, 这对实际加工很有意义。 本文大体讲述了电火花线切割的背景与意义,以及电火花线切割的工作原理等。通过 对喷液系统的设计,使工作液能够充分进入,改善极间关系,从而提高加工质量。通过单 因素试验研究初步分析了各个电参数脉冲间隙,脉冲宽度,功放管数,运丝速度等工艺参 数对硬质合金加工质量的影响。取得了线切割最优化参数组合。这对实际加工的参数选择 有一定的参考作用。
温馨提示:
1、题目前面的备注【字母数字编号】为本站整理分类的编号,与课题内容无关,请选题时忽视;
2、若题目上备注三维,则表示文件里包含三维源文件,由于三维组成零件数量较多,为保证预览截图的简洁性,本站将三维文件夹进行了打包。三维及CAD预览截图,均为本站电脑打开软件进行截图的,保证能够打开,下载原件超高清,下载后解压即可;
3、本站所有资源如无特殊说明,都需要本地电脑安装Office2007。图纸软件为AutoCAD,PROE,UG,SolidWorks,CATIA等;
4、本站所有图文资料仅供用户学习参考,不作为任何商用或其他用途;
5、本站不保证下载资源的准确性、安全性和完整性, 不包修改,不支持退换,同时也不承担用户因使用这些下载资源对自己和他人造成任何形式的伤害或损失;
6、 下载文件中如有侵权或不适当内容,请与我们联系,我们立即纠正。