

作品包括:
Word版设计说明书1份
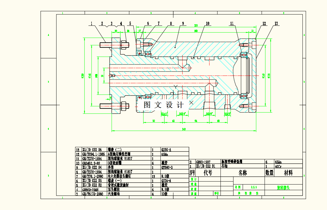
CAD版本图纸,共13张
摘要
镁及镁合金具有重量轻、其加工材尺寸稳定性好等显著优点,所以镁及镁合金板、带材应用研究有向便携式器械(如手机壳、笔记本电脑的内置框架)和汽车行业发展的趋势。 本设计主要针对镁材轧制线中开卷机卷筒轴部分的设计,设计过程中主要解决以下主要问题: 1.卷筒轴的结构、滑动套和扇形板的楔形面之间的受力分析; 2.设计应满足参数的要求。 3.计算胀缩油缸直径、行程,确保卷筒轴在带料情况下胀缩自如。 4.开卷机减速机输出轴与开卷机卷筒轴连为一体,设计要兼顾机组整体尺寸链的统一性、合理性。 5.滑动套、扇形板结构复杂,加工精度要求高,需标明尺寸设计。 运动模型的建立使得分析过程变得简单明白,抽象与实际相结合,相辅相成,使得本次设计对象更加具体,内容更加丰富。
温馨提示:
1、题目前面的备注【字母数字编号】为本站整理分类的编号,与课题内容无关,请选题时忽视;
2、若题目上备注三维,则表示文件里包含三维源文件,由于三维组成零件数量较多,为保证预览截图的简洁性,本站将三维文件夹进行了打包。三维及CAD预览截图,均为本站电脑打开软件进行截图的,保证能够打开,下载原件超高清,下载后解压即可;
3、本站所有资源如无特殊说明,都需要本地电脑安装Office2007。图纸软件为AutoCAD,PROE,UG,SolidWorks,CATIA等;
4、本站所有图文资料仅供用户学习参考,不作为任何商用或其他用途;
5、本站不保证下载资源的准确性、安全性和完整性, 不包修改,不支持退换,同时也不承担用户因使用这些下载资源对自己和他人造成任何形式的伤害或损失;
6、 下载文件中如有侵权或不适当内容,请与我们联系,我们立即纠正。