

作品包括:
Word版设计说明书1份
外文翻译一份
CAD版本图纸,共6张
摘要
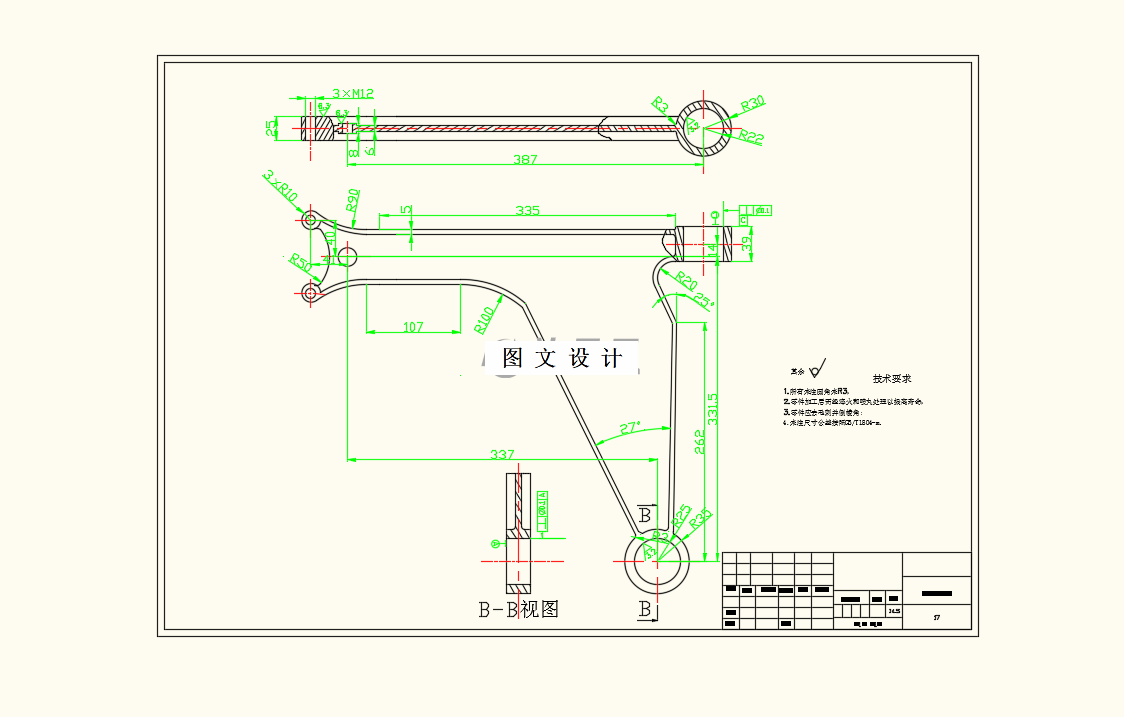
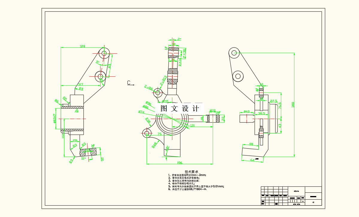
随着化石能源日益消耗以及越发严重的环境问题,对传统燃油车进行改型升级刻不容缓,学界纷纷致力于解决方法的探索研究之中,纯电动汽车,新能源汽车应运而生。然而纯电动汽车充电时间长、续航里程短的致命缺点限制了其发展;新能源车中氢能源由于其良好的特性将会是未来汽车发展的终极方向,但由于其对配套设施要求较高,目前尚未能得到市场化应用,仍处于产业链布置阶段。 本文以市面上某款轿车的整车参数作为参考对象,结合氢能源轿车的特点进行前麦弗逊悬架的参数设计,详细分析了车轮定位参数在车轮平行跳动试验过程中的变化特性,后根据曲线仿真结果,通过修改悬架硬点坐标对模型进行改进。
温馨提示:
1、题目前面的备注【字母数字编号】为本站整理分类的编号,与课题内容无关,请选题时忽视;
2、若题目上备注三维,则表示文件里包含三维源文件,由于三维组成零件数量较多,为保证预览截图的简洁性,本站将三维文件夹进行了打包。三维及CAD预览截图,均为本站电脑打开软件进行截图的,保证能够打开,下载原件超高清,下载后解压即可;
3、本站所有资源如无特殊说明,都需要本地电脑安装Office2007。图纸软件为AutoCAD,PROE,UG,SolidWorks,CATIA等;
4、本站所有图文资料仅供用户学习参考,不作为任何商用或其他用途;
5、本站不保证下载资源的准确性、安全性和完整性, 不包修改,不支持退换,同时也不承担用户因使用这些下载资源对自己和他人造成任何形式的伤害或损失;
6、 下载文件中如有侵权或不适当内容,请与我们联系,我们立即纠正。