欢迎来到龙图网在线图文分享平台-CAD图纸,设计说明书,工业设计3D模型,三维软件下载!   客服QQ:2363701252
热搜:

工艺夹具 模具设计 数控编程 土木工程 3D模型

M8297-工程用场地车湿式制动系统设计 下载积分:50 资料编号: M8297

1.打开支付宝或者微信扫描二维码。
2.填写金额:50 
3.添加备注,填写资料编号:
资料编号: M8297
4.支付成功后,请发资料编号到邮箱:jxsj168@qq.com
会有专人在15分钟内把资料发到您邮箱
备注:如果付款忘记填写资料编号,则发邮件时附带您的交易明细截图即可。
请耐心等待,如超过30分钟还没收到,请联系客服QQ:2363701252
点击分享:

作品描述

作品包括:

Word版设计说明书1份

CAD版本图纸,共9张

摘要

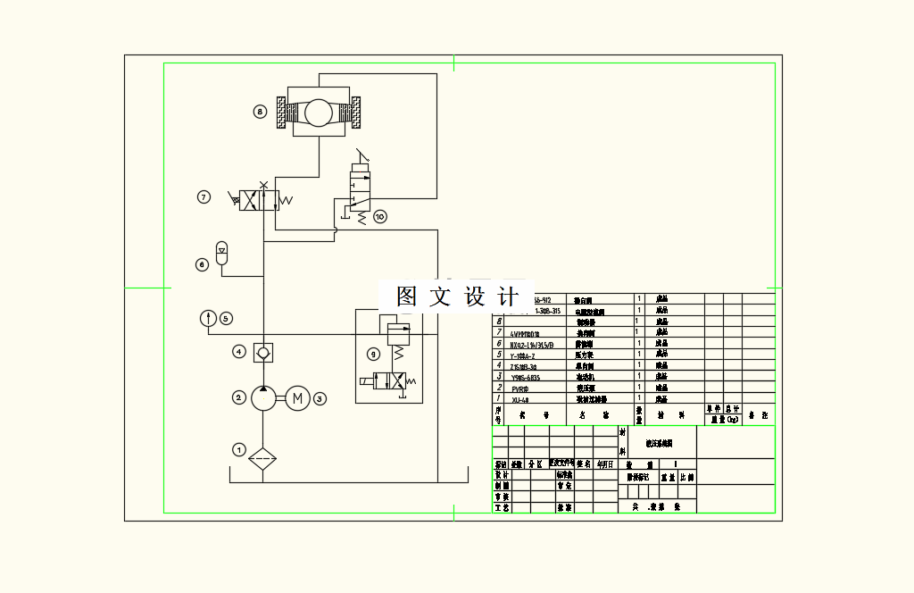
本次设计的工程用场地车湿式制动系统是由液压站、制动器、管路系统组成。液压站包括泵组、蓄能器组、阀组、滤油器组、油箱及附件等。工程用场地车湿式制动系统由液压站提供动力,液压油经过过滤器,在经过液压泵加压,通过单向阀流向换向阀。行车制动时,踩下脚踏板控制液压阀的阀芯运动从而控制液压油流入行车制动高压腔体,使活塞运动,带动摩擦片运动从而实现行车制动功能。松开脚踏板,卸载行车制动高压腔,回位弹簧带动活塞运动,使摩擦片分离,从而解除行车制动。在不需要驻车制动时,手柄控制液压阀的阀芯运动从而使驻车制动腔处于高压状态,克服弹簧力。当需要驻车制动时,拉起手柄阀,使驻车制动腔体卸荷,由弹簧的力带动摩擦片运动,从而实现停车制动功能。


温馨提示:

1、题目前面的备注【字母数字编号】为本站整理分类的编号,与课题内容无关,请选题时忽视;

2、若题目上备注三维,则表示文件里包含三维源文件,由于三维组成零件数量较多,为保证预览截图的简洁性,本站将三维文件夹进行了打包。三维及CAD预览截图,均为本站电脑打开软件进行截图的,保证能够打开,下载原件超高清,下载后解压即可;

3、本站所有资源如无特殊说明,都需要本地电脑安装Office2007。图纸软件为AutoCAD,PROE,UG,SolidWorks,CATIA等;

4、本站所有图文资料仅供用户学习参考,不作为任何商用或其他用途;
5、本站不保证下载资源的准确性、安全性和完整性, 不包修改,不支持退换,同时也不承担用户因使用这些下载资源对自己和他人造成任何形式的伤害或损失;

6、 下载文件中如有侵权或不适当内容,请与我们联系,我们立即纠正。


线