

作品包括:
Word版设计说明书1份
外文翻译一份
PPT答辩一份
CAD版本图纸,共4张
摘要
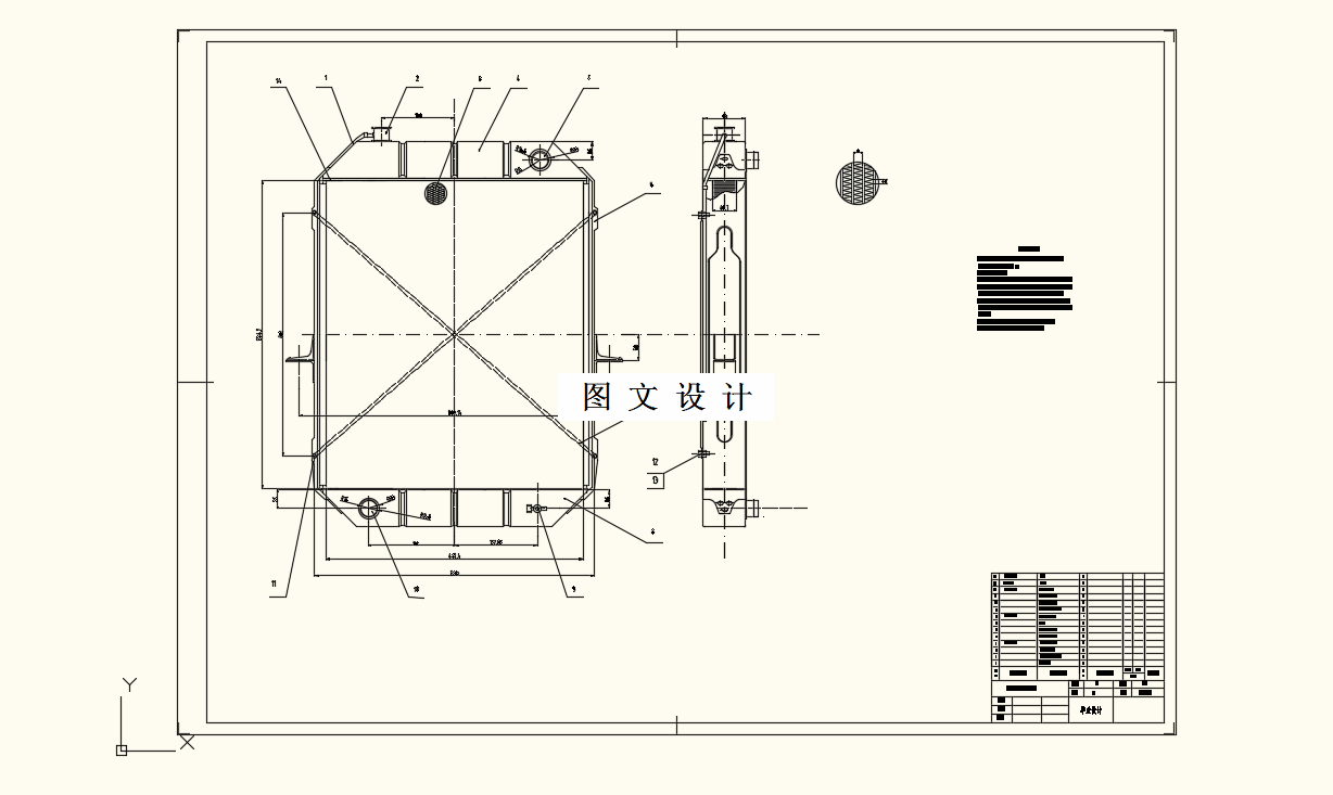
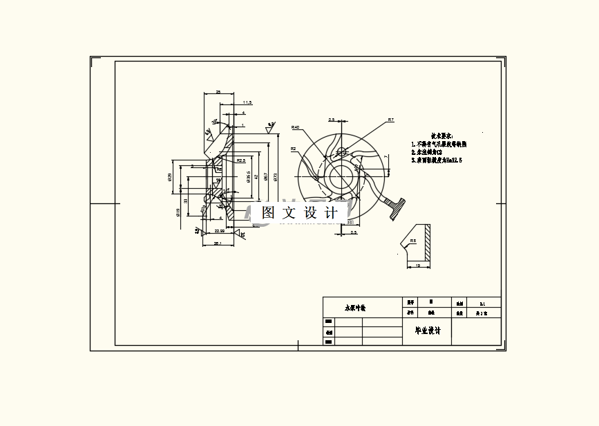
发动机冷却系统对汽车的经济性动力性至关重要。目前,冷却系统的优化已经成为提高发动机性能的前沿和重点。本次毕业设计针对4110型柴油发动机冷却系统的优化和设计,绪论中介绍了国内外对冷却系统的研究现状,优化发动机冷却系统的意义,接着介绍了冷却系统的组成和特点,选择了合适的发动机进行优化设计,通过对散热量和循环水量等的计算,利用各种经验公式,确定了散热器的芯型和尺寸,并对不同的方案进行分析,确定最优方案,最后根据散热器的尺寸要求,结合市场上的有的风扇和水泵,选择合适的风扇和水泵。发动机冷却系统对汽车的经济性动力性至关重要。目前,冷却系统的优化已经成为提高发动机性能的前沿和重点。本次毕业设计针对4110型柴油发动机冷却系统的优化和设计,绪论中介绍了国内外对冷却系统的研究现状,优化发动机冷却系统的意义,接着介绍了冷却系统的组成和特点,选择了合适的发动机进行优化设计,通过对散热量和循环水量等的计算,利用各种经验公式,确定了散热器的芯型和尺寸,并对不同的方案进行分析,确定最优方案,最后根据散热器的尺寸要求,结合市场上的有的风扇和水泵,选择合适的风扇和水泵。
温馨提示:
1、题目前面的备注【字母数字编号】为本站整理分类的编号,与课题内容无关,请选题时忽视;
2、若题目上备注三维,则表示文件里包含三维源文件,由于三维组成零件数量较多,为保证预览截图的简洁性,本站将三维文件夹进行了打包。三维及CAD预览截图,均为本站电脑打开软件进行截图的,保证能够打开,下载原件超高清,下载后解压即可;
3、本站所有资源如无特殊说明,都需要本地电脑安装Office2007。图纸软件为AutoCAD,PROE,UG,SolidWorks,CATIA等;
4、本站所有图文资料仅供用户学习参考,不作为任何商用或其他用途;
5、本站不保证下载资源的准确性、安全性和完整性, 不包修改,不支持退换,同时也不承担用户因使用这些下载资源对自己和他人造成任何形式的伤害或损失;
6、 下载文件中如有侵权或不适当内容,请与我们联系,我们立即纠正。