

作品包括:
Word版设计说明书1份
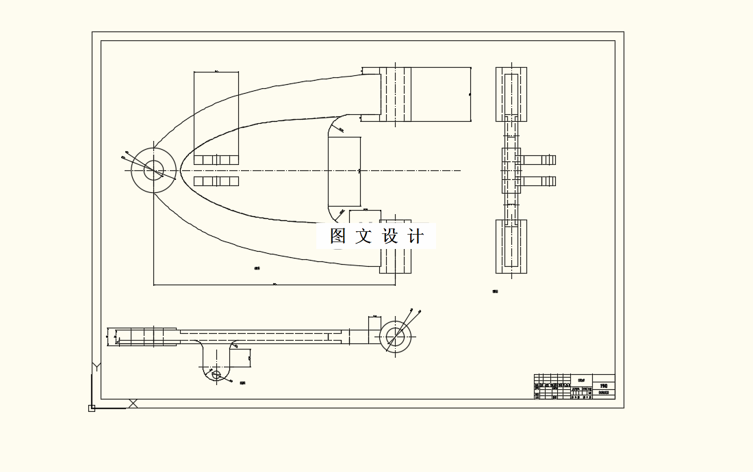
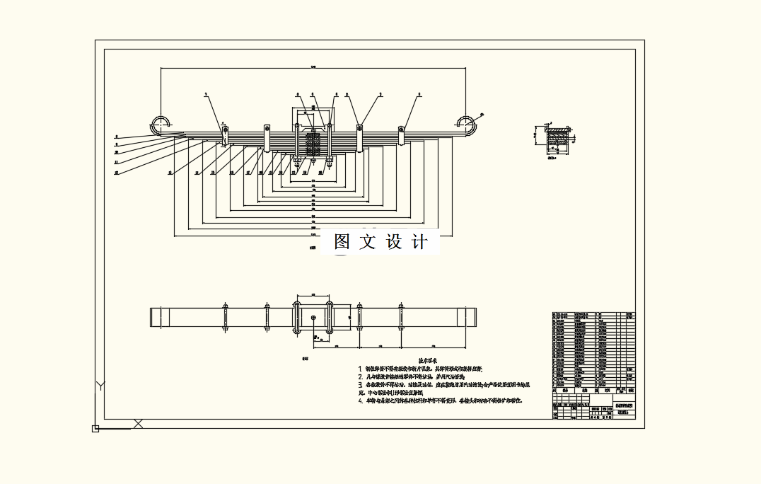
CAD版本图纸,共6张
摘要
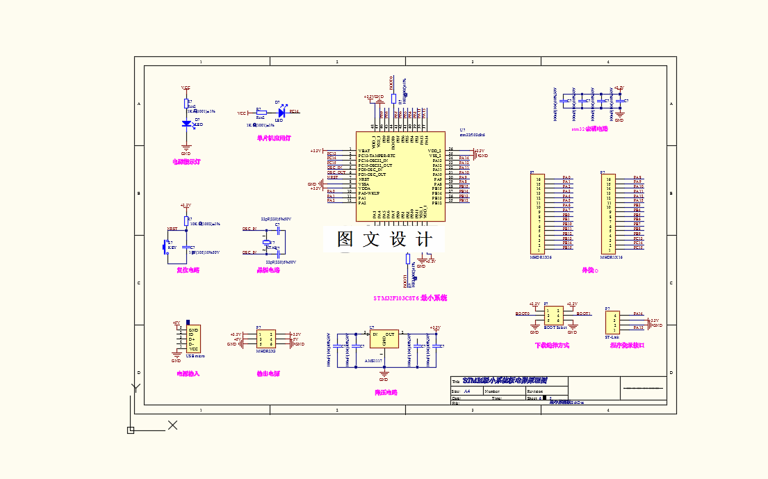
随着我国经济的发展和人们生活水平的提高, 道路交通事业也在高速发展,人们的道路安全意识逐渐增强。随处可见的减速带对于道路安全起着一定的积极作用,但是随之也带来一定问题。为此提出设计一款基于空气弹簧的智能减速带控制系统,实现减速带的智能可升降化,提高通过减速带的使用体验。本文以空气弹簧作为升降机构进行智能减速的控制系统设计。该控制系统主要基于 STM32 微处理平台进行相关的设计工作。分别完成了智能可升降减速带总体方案设计、智能减速带的硬件设计和智能减速带的系统软件设计等部分。
温馨提示:
1、题目前面的备注【字母数字编号】为本站整理分类的编号,与课题内容无关,请选题时忽视;
2、若题目上备注三维,则表示文件里包含三维源文件,由于三维组成零件数量较多,为保证预览截图的简洁性,本站将三维文件夹进行了打包。三维及CAD预览截图,均为本站电脑打开软件进行截图的,保证能够打开,下载原件超高清,下载后解压即可;
3、本站所有资源如无特殊说明,都需要本地电脑安装Office2007。图纸软件为AutoCAD,PROE,UG,SolidWorks,CATIA等;
4、本站所有图文资料仅供用户学习参考,不作为任何商用或其他用途;
5、本站不保证下载资源的准确性、安全性和完整性, 不包修改,不支持退换,同时也不承担用户因使用这些下载资源对自己和他人造成任何形式的伤害或损失;
6、 下载文件中如有侵权或不适当内容,请与我们联系,我们立即纠正。