

作品包括:
Word版设计说明书1份
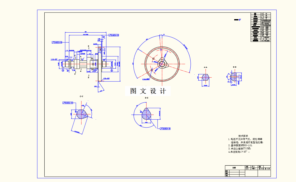
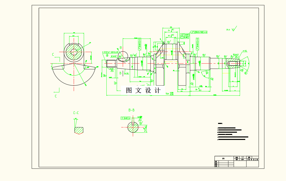
CAD版本图纸,共3张
摘要
相比于传统奥托循环,米勒循环在同等排量下为保证膨胀比大于压缩比会造成进气不充分,带来高负荷区动力性不足和整机功率密度低的问题。目前可使用米勒-奥托组合循环来解决奥托循环部分负荷下燃油经济性差和米勒循环大负荷下动力性不足的问题。首先在AVL-BOOST中建立奥托循环原型机模型,完成模型验证后运算获得奥托循环万有特性数据并做出MAP图。然后通过改变进气门关闭时刻获得一系列进气凸轮型线来实现米勒循环,综合燃油经济性与动力性选出最适曲线用于获得米勒循环万有特性曲线图。选择类似于奥迪AVS双进气凸轮机构实现米勒循环与奥托循环的切换。对比分析后将同转速下奥托循环扭矩比米勒循环表现好的数据以及同转速相近扭矩下油耗表现较好的米勒循环数据选出,做出米勒-奥托组合循环的MAP图。最后通过改变最大气门升程优化凸轮型线提高米勒循环区的性能。
温馨提示:
1、题目前面的备注【字母数字编号】为本站整理分类的编号,与课题内容无关,请选题时忽视;
2、若题目上备注三维,则表示文件里包含三维源文件,由于三维组成零件数量较多,为保证预览截图的简洁性,本站将三维文件夹进行了打包。三维及CAD预览截图,均为本站电脑打开软件进行截图的,保证能够打开,下载原件超高清,下载后解压即可;
3、本站所有资源如无特殊说明,都需要本地电脑安装Office2007。图纸软件为AutoCAD,PROE,UG,SolidWorks,CATIA等;
4、本站所有图文资料仅供用户学习参考,不作为任何商用或其他用途;
5、本站不保证下载资源的准确性、安全性和完整性, 不包修改,不支持退换,同时也不承担用户因使用这些下载资源对自己和他人造成任何形式的伤害或损失;
6、 下载文件中如有侵权或不适当内容,请与我们联系,我们立即纠正。