

作品包括:
Word版设计说明书1份
CAD版本图纸,共5张
摘要
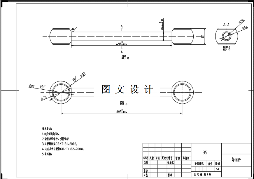
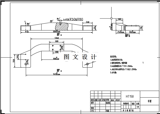
汽车电动化是近期热门的汽车新四化之一,公路客车作为在城市之间进行旅客运输的大型交通工具,更应该在世界新能源汽车大的发展趋势下积极转变。悬架系统对电动客车的行驶平稳性和操控稳定性有着巨大的影响,其中空气悬架凭借着特有的优点在电动客车上广泛使用。但对于空气悬架的研究我们国家的客车厂起步较晚,研发设计工作还处于在初级阶段。所以对空气悬架的研究就有很大的现实意义。本文就针对某 10m 长的电动公路客车为设计背景,对该客车的悬架系统进行设计选型,根据客车的布置要求和相关参数。对公路客车的前后悬架系统进行结构设计。 主要工作包括,1.了解国内外电动公路客车的设计方案,明确电动公路客车设计要求, 对悬架的形式进行选取,对悬架中的空气弹簧、导向杆系、减振器、稳定杆进行选型和设计计算,并根据整车的布置要求和基本参数对悬架进行抗侧倾、纵倾能力进行校核。2.根据设计计算中的具体参数进行三维建模并完成装配,绘制后悬架的整体装配图以及部分零件的二维图
温馨提示:
1、题目前面的备注【字母数字编号】为本站整理分类的编号,与课题内容无关,请选题时忽视;
2、若题目上备注三维,则表示文件里包含三维源文件,由于三维组成零件数量较多,为保证预览截图的简洁性,本站将三维文件夹进行了打包。三维及CAD预览截图,均为本站电脑打开软件进行截图的,保证能够打开,下载原件超高清,下载后解压即可;
3、本站所有资源如无特殊说明,都需要本地电脑安装Office2007。图纸软件为AutoCAD,PROE,UG,SolidWorks,CATIA等;
4、本站所有图文资料仅供用户学习参考,不作为任何商用或其他用途;
5、本站不保证下载资源的准确性、安全性和完整性, 不包修改,不支持退换,同时也不承担用户因使用这些下载资源对自己和他人造成任何形式的伤害或损失;
6、 下载文件中如有侵权或不适当内容,请与我们联系,我们立即纠正。