

作品包括:
Word版设计说明书1份
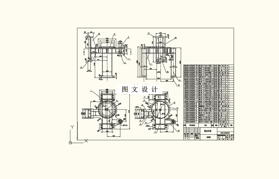
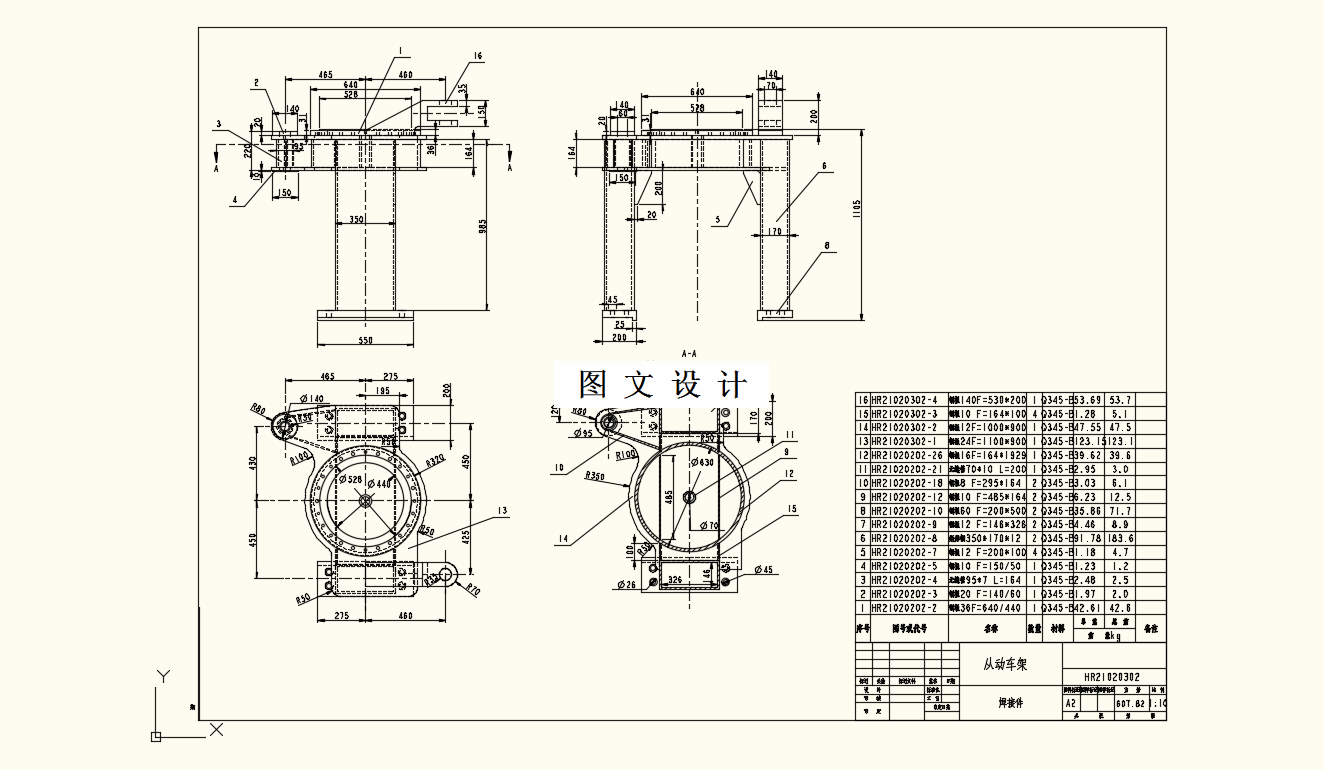
CAD版本图纸,共5张
摘要
本文基于一卷绕式集装箱轮胎场桥(RTG)设计项目,对其大车运行机构进行设计计算,包括其主要外购件的选型校核计算及其平衡梁结构的有限元模型强度分析。该设计采用新型电力驱动轮胎式场桥,其设计计算过程相较于传统的柴油驱动轨道场桥有所改变和创新。 本文计算结果表明,该大车运行机构的设计结果满足设计要求。其计算校核过程对新 型的电力驱动轮胎式场桥的设计有一定参考价值和指导意义。
温馨提示:
1、题目前面的备注【字母数字编号】为本站整理分类的编号,与课题内容无关,请选题时忽视;
2、若题目上备注三维,则表示文件里包含三维源文件,由于三维组成零件数量较多,为保证预览截图的简洁性,本站将三维文件夹进行了打包。三维及CAD预览截图,均为本站电脑打开软件进行截图的,保证能够打开,下载原件超高清,下载后解压即可;
3、本站所有资源如无特殊说明,都需要本地电脑安装Office2007。图纸软件为AutoCAD,PROE,UG,SolidWorks,CATIA等;
4、本站所有图文资料仅供用户学习参考,不作为任何商用或其他用途;
5、本站不保证下载资源的准确性、安全性和完整性, 不包修改,不支持退换,同时也不承担用户因使用这些下载资源对自己和他人造成任何形式的伤害或损失;
6、 下载文件中如有侵权或不适当内容,请与我们联系,我们立即纠正。