欢迎来到龙图网在线图文分享平台-CAD图纸,设计说明书,工业设计3D模型,三维软件下载!   客服QQ:2363701252
热搜:

工艺夹具 模具设计 数控编程 土木工程 3D模型

M8418-汽车同轴双级行星齿轮减速器设计 下载积分:50 资料编号: M8418

1.打开支付宝或者微信扫描二维码。
2.填写金额:50 
3.添加备注,填写资料编号:
资料编号: M8418
4.支付成功后,请发资料编号到邮箱:jxsj168@qq.com
会有专人在15分钟内把资料发到您邮箱
备注:如果付款忘记填写资料编号,则发邮件时附带您的交易明细截图即可。
请耐心等待,如超过30分钟还没收到,请联系客服QQ:2363701252
点击分享:

作品描述

作品包括:

Word版设计说明书1份

任务书一份

开题报告一份

外文翻译一份

CAD版本图纸,共5张

摘要

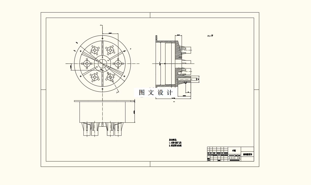
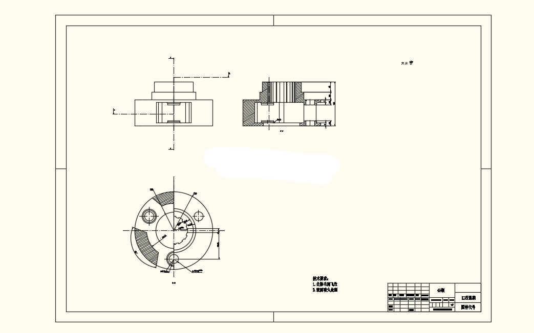
由于石油资源的匮乏、分配问题以及环境污染问题逐渐严重,人们正在不断对新能源汽车技术进行研究、创新。而电动车以污染排放量几乎是零、结构简单以驾驶起来比较方便,成为未来汽车的发展趋势,不管是从环境,还是国家能源层面考虑,燃油车最终会被电动车代替,但这是一个过程,要解决当下电动车的不足,才能实现这个目标。为了促进电动汽车的长远发展,电动汽车需要安装新式减速器。 行星齿轮减速器相对于普通齿轮传动,其优点是体积小、重量轻,承载能力高,使用寿命长、运转平稳,噪声低、输出扭矩大,速比大、效率高、性能安全。目前已经有了较普遍的应用,但是由于行星齿轮的传动方案有可多变性,因此设计也较为复杂。但是由于行星齿轮传动不只局限于高速大功率装置中,也可以使用在低速大扭矩的机械传动装置上,因此行星齿轮传动在各个领域都有着广泛应用,可作为配套部件用于起重、挖掘、运输、建筑等行业。 本文主要根据要求设计一台行星齿轮减速器箱,用于新能源汽车传动装置.


温馨提示:

1、题目前面的备注【字母数字编号】为本站整理分类的编号,与课题内容无关,请选题时忽视;

2、若题目上备注三维,则表示文件里包含三维源文件,由于三维组成零件数量较多,为保证预览截图的简洁性,本站将三维文件夹进行了打包。三维及CAD预览截图,均为本站电脑打开软件进行截图的,保证能够打开,下载原件超高清,下载后解压即可;

3、本站所有资源如无特殊说明,都需要本地电脑安装Office2007。图纸软件为AutoCAD,PROE,UG,SolidWorks,CATIA等;

4、本站所有图文资料仅供用户学习参考,不作为任何商用或其他用途;
5、本站不保证下载资源的准确性、安全性和完整性, 不包修改,不支持退换,同时也不承担用户因使用这些下载资源对自己和他人造成任何形式的伤害或损失;

6、 下载文件中如有侵权或不适当内容,请与我们联系,我们立即纠正。


线