欢迎来到龙图网在线图文分享平台-CAD图纸,设计说明书,工业设计3D模型,三维软件下载!   客服QQ:2363701252
热搜:

工艺夹具 模具设计 数控编程 土木工程 3D模型

M8431-碳纤维生产线收线装置设计【含UG三维图】 下载积分:100 资料编号: M8431

1.打开支付宝或者微信扫描二维码。
2.填写金额:100 
3.添加备注,填写资料编号:
资料编号: M8431
4.支付成功后,请发资料编号到邮箱:jxsj168@qq.com
会有专人在15分钟内把资料发到您邮箱
备注:如果付款忘记填写资料编号,则发邮件时附带您的交易明细截图即可。
请耐心等待,如超过30分钟还没收到,请联系客服QQ:2363701252
点击分享:

作品描述

作品包括:

Word版设计说明书1份

CAD版本图纸,共5张

UG三维图一份

摘要

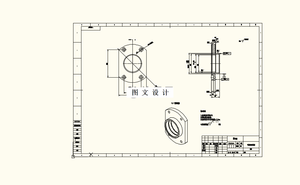
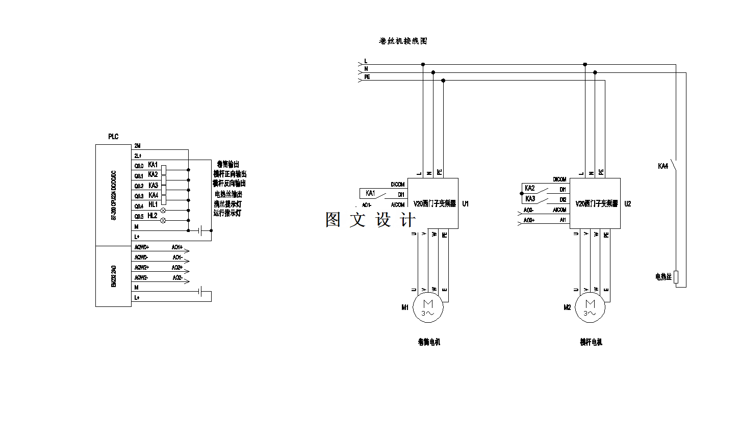
近年来,收线装置作为碳纤维丝束生产线的末端, 纤维丝束卷绕过程中需要保持张力从而获得成型良好的丝筒。 本文针对碳纤维收线工序过程中线束所需的张力控制要求以及收线辊筒装卸时间过长这一现状,进行分析并设计了一种碳纤维生产线收线装置。整个装置通过两个方面进行设计。一是结构方面,分别是用于引导前进的连续碳纤维束的传输引导机构,用于引导纤维束均匀分布在筒管的横动机构以及用于将纤维束缠绕在筒管上的卷绕机构展开介绍,确定了摩擦辊、同步带轮、导辊等多种结构,并绘制了系统装配图和几种结构的零件图;二是控制系统方面,首先分析任务要求以及收线装置的机构特点,制定相关控制要求,其次进行了硬件选型、I/O 地址分配、绘制 PLC 接线图,最后运用西门子 S7-200 和组态王等软件设计编写了 PLC 程序并进行了组态仿真。


温馨提示:

1、题目前面的备注【字母数字编号】为本站整理分类的编号,与课题内容无关,请选题时忽视;

2、若题目上备注三维,则表示文件里包含三维源文件,由于三维组成零件数量较多,为保证预览截图的简洁性,本站将三维文件夹进行了打包。三维及CAD预览截图,均为本站电脑打开软件进行截图的,保证能够打开,下载原件超高清,下载后解压即可;

3、本站所有资源如无特殊说明,都需要本地电脑安装Office2007。图纸软件为AutoCAD,PROE,UG,SolidWorks,CATIA等;

4、本站所有图文资料仅供用户学习参考,不作为任何商用或其他用途;
5、本站不保证下载资源的准确性、安全性和完整性, 不包修改,不支持退换,同时也不承担用户因使用这些下载资源对自己和他人造成任何形式的伤害或损失;

6、 下载文件中如有侵权或不适当内容,请与我们联系,我们立即纠正。


线