

作品包括:
Word版设计说明书1份
CAD版本图纸,共7张
摘要
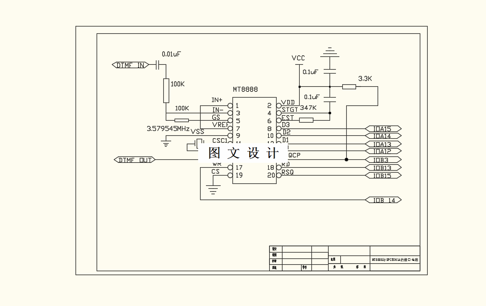
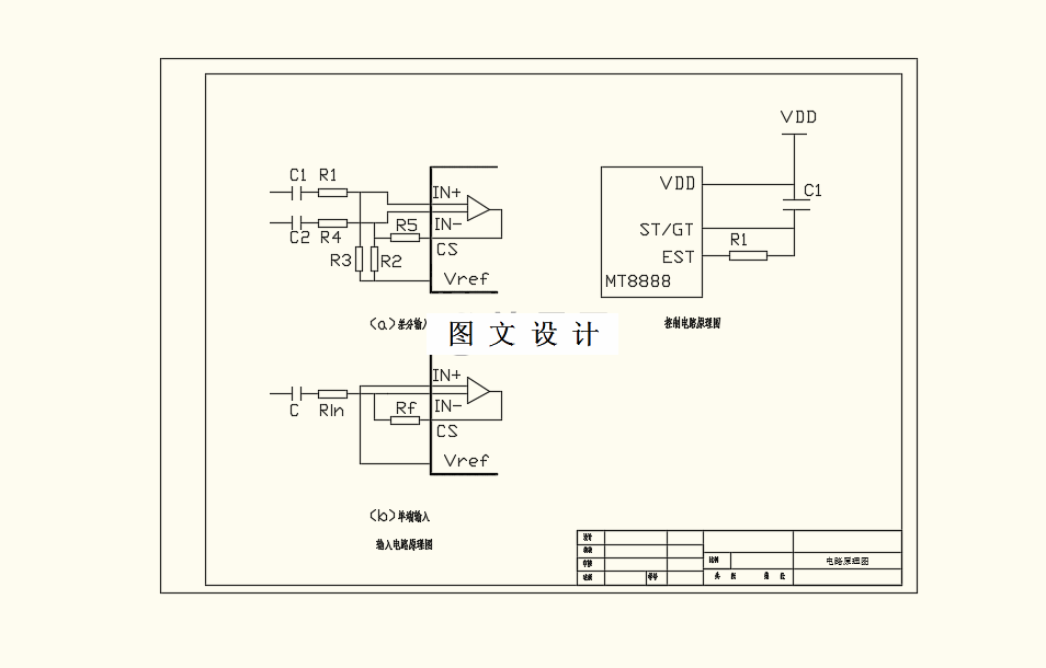
本设计提出的实现方案是有关于具备防盗、防火以及告急呼救等功能的校区安防智能监控警报装置。该装置拥有强大及完善的功能,具备多种功能,比如门磁检测功能、烟雾检测功能、燃气检测功能以及屏幕显示功能,能够广泛应用在人员密集的场所,如校区、社区等地。本设计控制核心为凌阳SPCE061A测验仪,并利用其对警报装置进行防盗设计,采取无线门磁探测器完成。为实现防火报警装置的设计,采取安装无线烟雾探测器和无线燃气探测器等方式,通过安装音频播放器并同时对DTMF收发器MT8888进行设置,再利用分辨电话信号的方式对告急呼救报警装置进行设计,借此实现校区安防智能监控警报装置同时拥有防火、防盗和告急呼救等功能。
温馨提示:
1、题目前面的备注【字母数字编号】为本站整理分类的编号,与课题内容无关,请选题时忽视;
2、若题目上备注三维,则表示文件里包含三维源文件,由于三维组成零件数量较多,为保证预览截图的简洁性,本站将三维文件夹进行了打包。三维及CAD预览截图,均为本站电脑打开软件进行截图的,保证能够打开,下载原件超高清,下载后解压即可;
3、本站所有资源如无特殊说明,都需要本地电脑安装Office2007。图纸软件为AutoCAD,PROE,UG,SolidWorks,CATIA等;
4、本站所有图文资料仅供用户学习参考,不作为任何商用或其他用途;
5、本站不保证下载资源的准确性、安全性和完整性, 不包修改,不支持退换,同时也不承担用户因使用这些下载资源对自己和他人造成任何形式的伤害或损失;
6、 下载文件中如有侵权或不适当内容,请与我们联系,我们立即纠正。