欢迎来到龙图网在线图文分享平台-CAD图纸,设计说明书,工业设计3D模型,三维软件下载!   客服QQ:2363701252
热搜:

工艺夹具 模具设计 数控编程 土木工程 3D模型

M8462-基于PLC的矿山运料小车控制系统设计 下载积分:50 资料编号: M8462

1.打开支付宝或者微信扫描二维码。
2.填写金额:50 
3.添加备注,填写资料编号:
资料编号: M8462
4.支付成功后,请发资料编号到邮箱:jxsj168@qq.com
会有专人在15分钟内把资料发到您邮箱
备注:如果付款忘记填写资料编号,则发邮件时附带您的交易明细截图即可。
请耐心等待,如超过30分钟还没收到,请联系客服QQ:2363701252
点击分享:

作品描述

作品包括:

Word版设计说明书1份

CAD版本图纸,共2张

摘要

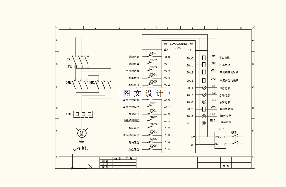
运料小车控制系统主要按照生产线小车的运输功能要求,对物料进行两地传输,系统主要由小车、电磁阀、传感器等组成,按照规定的工艺流程进行顺序控制的设计需求,对系统进行硬件和软件控制设计,通过调试和仿真达到设计工艺的要求,满足设计的需求。系统主要通过可编程控制器加上位机控制方式进行设计,在分析该系统的工艺要求基础上,提出详尽的控制策略和总体设计思路。系统主要由西门子S7-200SMART可编程控制器、传感器检测单元、电动机执行机构等组成,按照PLC设计的思路,对运料小车控制系统进行工艺要求设计和控制方案确定,在此基础上完成设备的选型设计和硬件I/O分配设计。根据外部的输入输出和电路要求,对运料小车控制系统进行原理接线图设计。对系统的工艺流程按照方案和要求绘制,分析程序的设计过程。通过上位机的仿真设计,对各种工艺功能进行验证,达到系统设计的要求,并且能够满足后期的升级改造。运料小车控制系统的设计符合了设计实际工艺,系统可行稳定。


温馨提示:

1、题目前面的备注【字母数字编号】为本站整理分类的编号,与课题内容无关,请选题时忽视;

2、若题目上备注三维,则表示文件里包含三维源文件,由于三维组成零件数量较多,为保证预览截图的简洁性,本站将三维文件夹进行了打包。三维及CAD预览截图,均为本站电脑打开软件进行截图的,保证能够打开,下载原件超高清,下载后解压即可;

3、本站所有资源如无特殊说明,都需要本地电脑安装Office2007。图纸软件为AutoCAD,PROE,UG,SolidWorks,CATIA等;

4、本站所有图文资料仅供用户学习参考,不作为任何商用或其他用途;
5、本站不保证下载资源的准确性、安全性和完整性, 不包修改,不支持退换,同时也不承担用户因使用这些下载资源对自己和他人造成任何形式的伤害或损失;

6、 下载文件中如有侵权或不适当内容,请与我们联系,我们立即纠正。


线