欢迎来到龙图网在线图文分享平台-CAD图纸,设计说明书,工业设计3D模型,三维软件下载!   客服QQ:2363701252
热搜:

工艺夹具 模具设计 数控编程 土木工程 3D模型

M8468-基于单片机的两轮平衡车设计 下载积分:100 资料编号: M8468

1.打开支付宝或者微信扫描二维码。
2.填写金额:100 
3.添加备注,填写资料编号:
资料编号: M8468
4.支付成功后,请发资料编号到邮箱:jxsj168@qq.com
会有专人在15分钟内把资料发到您邮箱
备注:如果付款忘记填写资料编号,则发邮件时附带您的交易明细截图即可。
请耐心等待,如超过30分钟还没收到,请联系客服QQ:2363701252
点击分享:

作品描述

作品包括:

Word版设计说明书1份

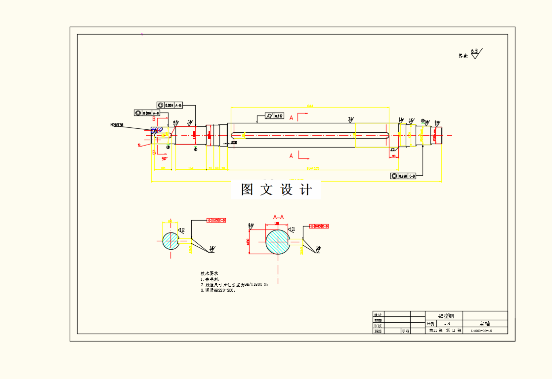
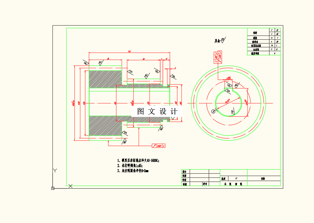
CAD版本图纸,共5张

单片机程序一份

电路图一份

摘要

在本世纪,两轮自平衡小车得到充分快捷的发展。两轮自平衡小车本质是一种高度不稳定的非线性系统,并且成本低,机械结构简单,模块设计简单,上手容易,同时又具有很高的研究价值,所以它在世界范围得以广泛的运用。在本次设计中选择STC15F2K60S2单片机做为主控芯片,MPU-6050做为姿态检测模块,霍尔编码器做为速度检测模块,25GA20E260型号直流减速电机做为驱动电机,TB6612FNG芯片做为电机驱动芯片,以LM2596芯片对4节3.7V的18650型号锂电池进行降压稳压来输出电压做为电源模块。对以上模块进行合理的装配设计,使它们通力合作组成两轮自平衡小车。控制算法方面借鉴前辈们的研究,选择PID算法来进行控制。 在设计完成的两轮自平衡小车应该拥有在绝大多数情况下保持自身平衡、在适当的外界影响下能够恢复车身姿态以及在运动中保证平稳的能力。


温馨提示:

1、题目前面的备注【字母数字编号】为本站整理分类的编号,与课题内容无关,请选题时忽视;

2、若题目上备注三维,则表示文件里包含三维源文件,由于三维组成零件数量较多,为保证预览截图的简洁性,本站将三维文件夹进行了打包。三维及CAD预览截图,均为本站电脑打开软件进行截图的,保证能够打开,下载原件超高清,下载后解压即可;

3、本站所有资源如无特殊说明,都需要本地电脑安装Office2007。图纸软件为AutoCAD,PROE,UG,SolidWorks,CATIA等;

4、本站所有图文资料仅供用户学习参考,不作为任何商用或其他用途;
5、本站不保证下载资源的准确性、安全性和完整性, 不包修改,不支持退换,同时也不承担用户因使用这些下载资源对自己和他人造成任何形式的伤害或损失;

6、 下载文件中如有侵权或不适当内容,请与我们联系,我们立即纠正。


线