

作品包括:
Word版设计说明书1份
PPT答辩一份
CAD版本图纸,共2张
摘要
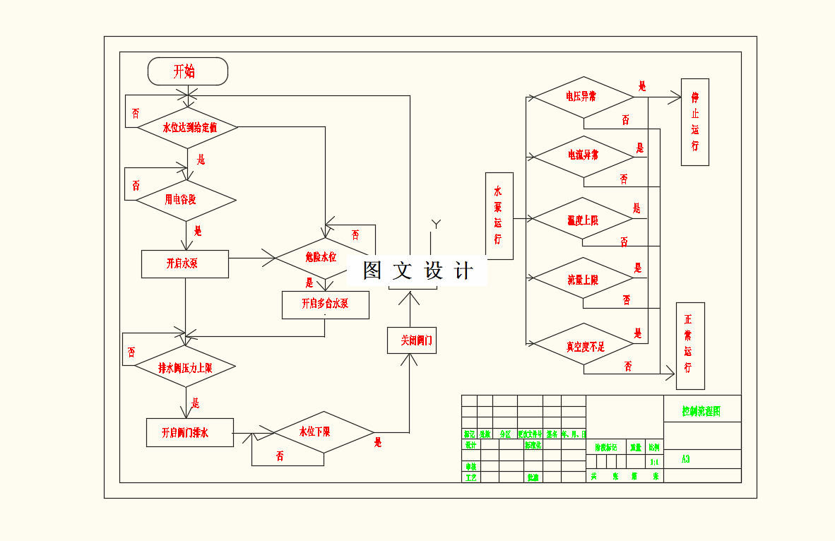
排水设备在煤矿建设和生产中不可或缺,自动排水监控系统的安全可靠运行对煤矿安全生产具有重要意义。现如今煤矿泵房存在效率低,工作量大,安全性差等缺点,已不再适应现代化的煤矿业发展。针对这些问题,本课题采用S7- 300 PLC、传感器、和执行机构组成井下控制系统,利用地面工控机,利用PLC对传感器采集到的的数据进行分析处理,做出开泵或停泵的指令,并将指令传送至执行设备,自动控制水泵的运行,全面监控整个排水系统的运行状态,及时完成中央泵房排水任务。保证排水系统能安全、稳定、可靠地运行,具有良好的社会效益和经济效益。
温馨提示:
1、题目前面的备注【字母数字编号】为本站整理分类的编号,与课题内容无关,请选题时忽视;
2、若题目上备注三维,则表示文件里包含三维源文件,由于三维组成零件数量较多,为保证预览截图的简洁性,本站将三维文件夹进行了打包。三维及CAD预览截图,均为本站电脑打开软件进行截图的,保证能够打开,下载原件超高清,下载后解压即可;
3、本站所有资源如无特殊说明,都需要本地电脑安装Office2007。图纸软件为AutoCAD,PROE,UG,SolidWorks,CATIA等;
4、本站所有图文资料仅供用户学习参考,不作为任何商用或其他用途;
5、本站不保证下载资源的准确性、安全性和完整性, 不包修改,不支持退换,同时也不承担用户因使用这些下载资源对自己和他人造成任何形式的伤害或损失;
6、 下载文件中如有侵权或不适当内容,请与我们联系,我们立即纠正。