

作品包括:
Word版设计说明书1份
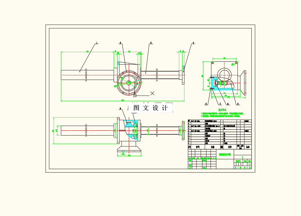
CAD版本图纸,共5张
摘要
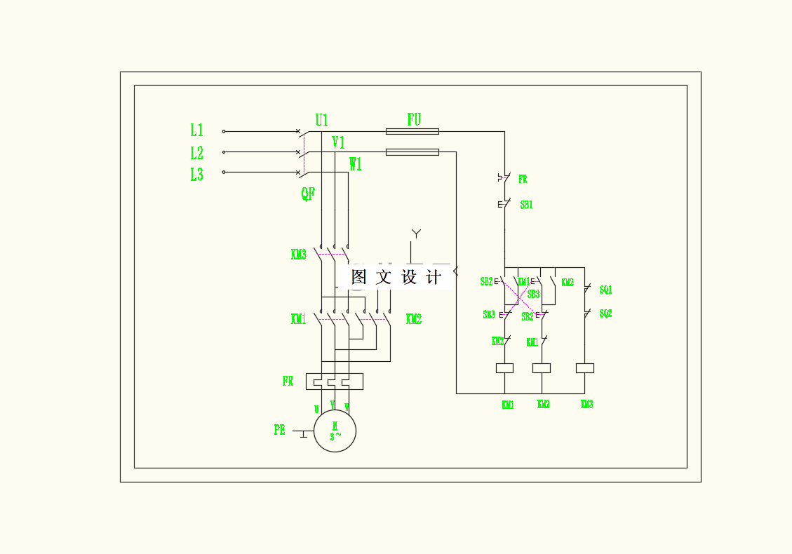
电子皮带秤在现代化工业生产中的应用十分广泛。其功能是在物料运送过程中计量物料的质量。随着科技的进步,对于电子皮带秤的计量精度要求越来越高。本文针对这一现有问题,提出了提高电子皮带秤计量精度的解决方法。本文对影响电子皮带秤的精度的影响因素进行分析。其中影响电子皮带秤的主要因素为皮带的张紧力。为了提高电子皮带秤的精度,所以需要使皮带获得恒定的张紧力。通过查阅文献,本文采用了皮带恒力螺旋张紧装置来实时监测皮带的张紧力,传感器采集皮带张紧力信号,发送至可编程控制的调节螺旋张紧装置,从而使皮带获得恒定的张紧力,提高电子皮带秤的计量精度。
温馨提示:
1、题目前面的备注【字母数字编号】为本站整理分类的编号,与课题内容无关,请选题时忽视;
2、若题目上备注三维,则表示文件里包含三维源文件,由于三维组成零件数量较多,为保证预览截图的简洁性,本站将三维文件夹进行了打包。三维及CAD预览截图,均为本站电脑打开软件进行截图的,保证能够打开,下载原件超高清,下载后解压即可;
3、本站所有资源如无特殊说明,都需要本地电脑安装Office2007。图纸软件为AutoCAD,PROE,UG,SolidWorks,CATIA等;
4、本站所有图文资料仅供用户学习参考,不作为任何商用或其他用途;
5、本站不保证下载资源的准确性、安全性和完整性, 不包修改,不支持退换,同时也不承担用户因使用这些下载资源对自己和他人造成任何形式的伤害或损失;
6、 下载文件中如有侵权或不适当内容,请与我们联系,我们立即纠正。