

作品包括:
Word版设计说明书1份
PPT答辩一份
CAD版本图纸,共3张
摘要
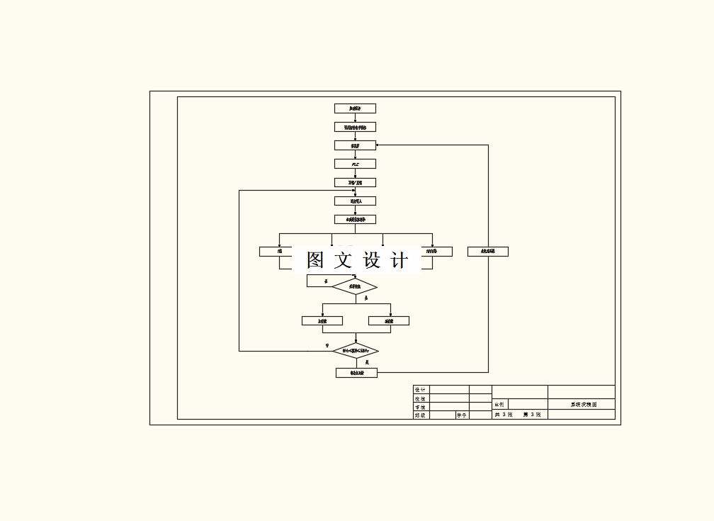
课题主要进行了基于PLC和变频器组合的磨抛机无级调速控制系统设计。所设计的调速系统主要由PLC、变频电机、吸尘电机、速度传感器、变频器、触摸屏等装置组成。系统由触摸屏作为人机交互界面,所发出的控制信号经由PLC计算得到所需转速对应的变频器频率,从而实现电动机无级变速。速度传感器用来监测电动机的实时转速,并将速度大小在触摸屏上显示出来。所设计的变频调速系统不仅提高了磨抛机的工作效率,提高了设备自动化水平,节约了电能,同时还减少了所使用的调速元器件数量,降低了使用成本。 课题主要根据电工电子学知识和PLC设计知识对变频器调速系统的控制部分进行相应的设计计算,确定各元器件的种类;利用CAD软件进行了电路图和流程图的绘制,利用STEP7-200-SP9软件进行了PLC程序设计。
温馨提示:
1、题目前面的备注【字母数字编号】为本站整理分类的编号,与课题内容无关,请选题时忽视;
2、若题目上备注三维,则表示文件里包含三维源文件,由于三维组成零件数量较多,为保证预览截图的简洁性,本站将三维文件夹进行了打包。三维及CAD预览截图,均为本站电脑打开软件进行截图的,保证能够打开,下载原件超高清,下载后解压即可;
3、本站所有资源如无特殊说明,都需要本地电脑安装Office2007。图纸软件为AutoCAD,PROE,UG,SolidWorks,CATIA等;
4、本站所有图文资料仅供用户学习参考,不作为任何商用或其他用途;
5、本站不保证下载资源的准确性、安全性和完整性, 不包修改,不支持退换,同时也不承担用户因使用这些下载资源对自己和他人造成任何形式的伤害或损失;
6、 下载文件中如有侵权或不适当内容,请与我们联系,我们立即纠正。