欢迎来到龙图网在线图文分享平台-CAD图纸,设计说明书,工业设计3D模型,三维软件下载!   客服QQ:2363701252
热搜:

工艺夹具 模具设计 数控编程 土木工程 3D模型

M8504-汽车起重机伸臂设计 下载积分:50 资料编号: M8504

1.打开支付宝或者微信扫描二维码。
2.填写金额:50 
3.添加备注,填写资料编号:
资料编号: M8504
4.支付成功后,请发资料编号到邮箱:jxsj168@qq.com
会有专人在15分钟内把资料发到您邮箱
备注:如果付款忘记填写资料编号,则发邮件时附带您的交易明细截图即可。
请耐心等待,如超过30分钟还没收到,请联系客服QQ:2363701252
点击分享:

作品描述

作品包括:

Word版设计说明书1份

CAD版本图纸,共14张

摘要

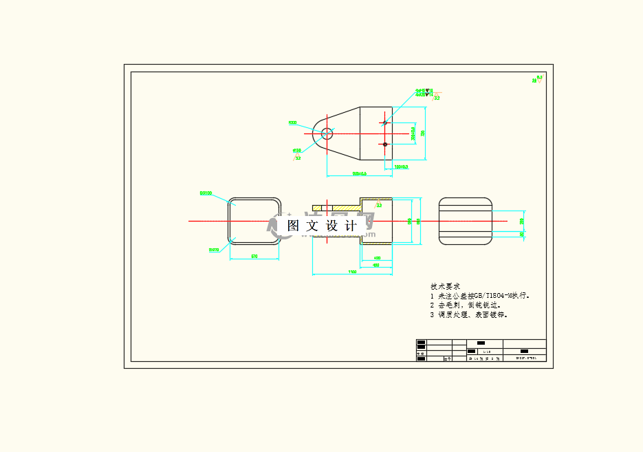
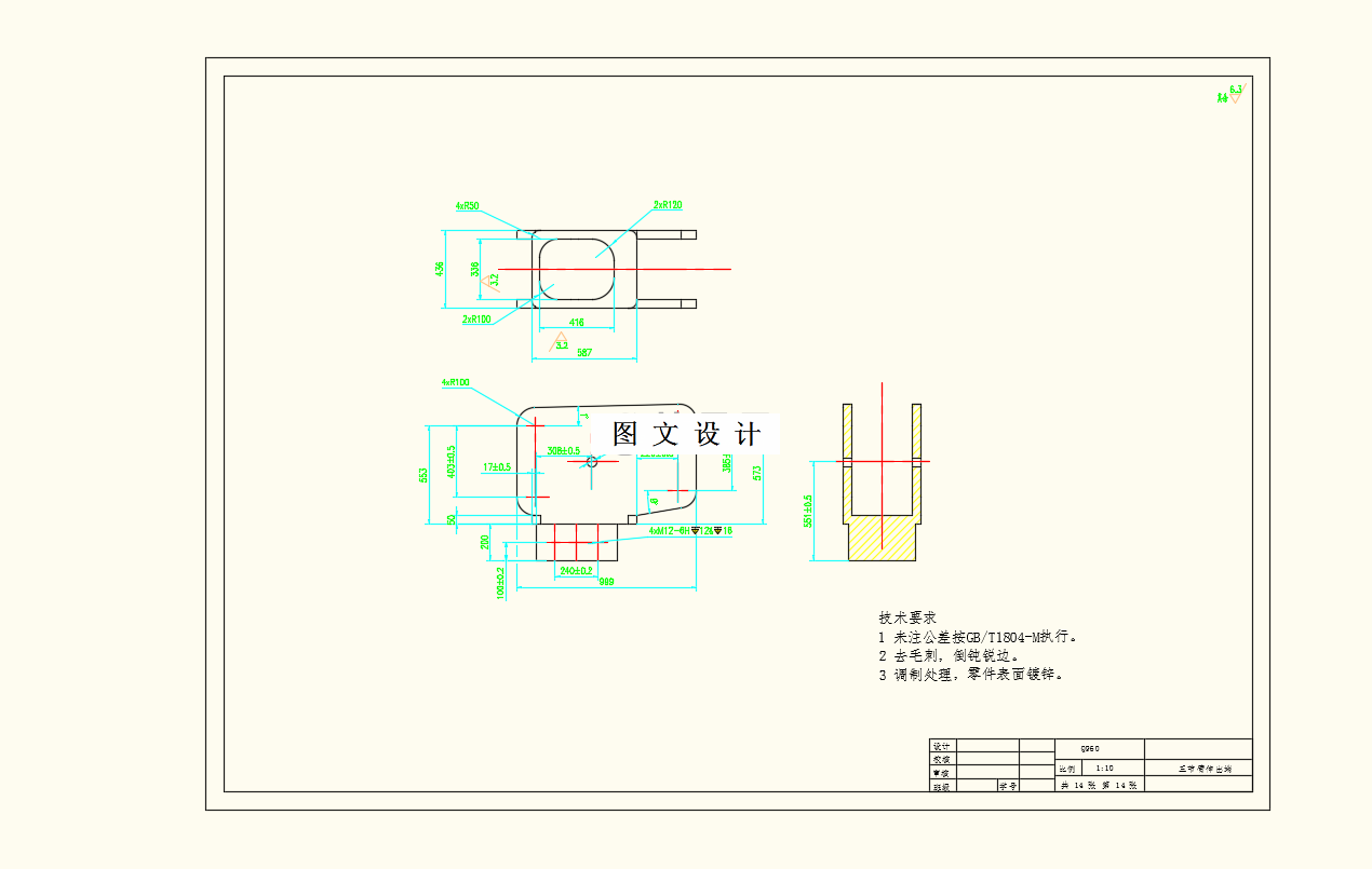
“十三五”规划期间,我国汽车起重机行业坚持创新驱动发展战略,持续转型升级,推动形成“互联网+”工程机械,在国民经济建设的各个领域中大展身手。 本文从当前汽车起重机企业面临的设计周期冗长、市场响应能力不足的问题出发,一改传统依托半经验半理论设计方法,创新提出一种基于参数化与快速建模思想的新方法,以期能够有效提高企业设计研发效能,节约人力、时间、资源成本,为抢夺汽车起重机市场赢得先机,推动我国汽车起重机企业的成长发展。该课题选取了汽车起重机的主要工作装置——伸臂作为研究对象,基于其伸臂长度、起重量等各类工况。


温馨提示:

1、题目前面的备注【字母数字编号】为本站整理分类的编号,与课题内容无关,请选题时忽视;

2、若题目上备注三维,则表示文件里包含三维源文件,由于三维组成零件数量较多,为保证预览截图的简洁性,本站将三维文件夹进行了打包。三维及CAD预览截图,均为本站电脑打开软件进行截图的,保证能够打开,下载原件超高清,下载后解压即可;

3、本站所有资源如无特殊说明,都需要本地电脑安装Office2007。图纸软件为AutoCAD,PROE,UG,SolidWorks,CATIA等;

4、本站所有图文资料仅供用户学习参考,不作为任何商用或其他用途;
5、本站不保证下载资源的准确性、安全性和完整性, 不包修改,不支持退换,同时也不承担用户因使用这些下载资源对自己和他人造成任何形式的伤害或损失;

6、 下载文件中如有侵权或不适当内容,请与我们联系,我们立即纠正。


线