

作品包括:
Word版设计说明书1份
PPT答辩一份
CAD版本图纸,共11张
摘要
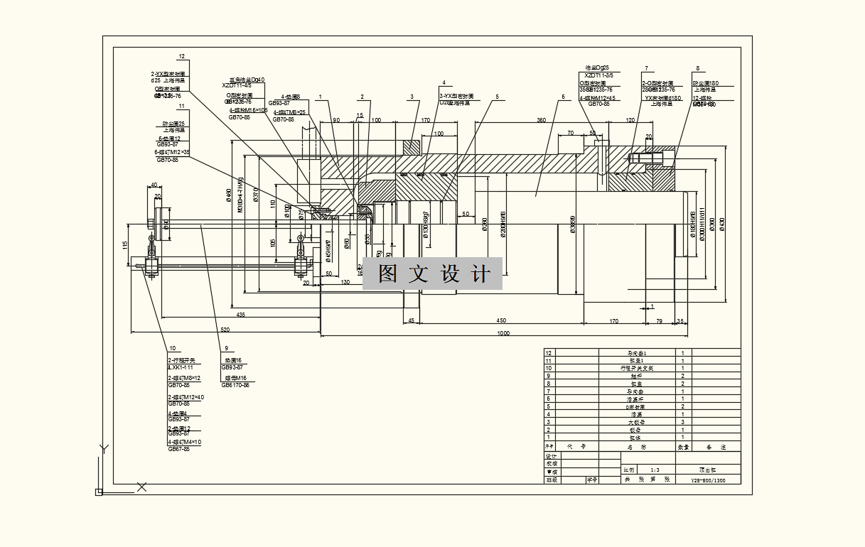
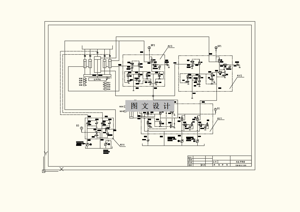
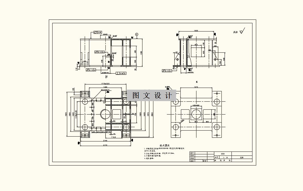
《Y28-8001300双动拉伸液压机本体及液压系统设计》 随着我国航空航天、汽车制造、石油化工等大型工业的高速发展,高性能大尺寸复合薄壁构件的需求也日益增加。本次主要是关于机身结构方面的研究探讨,本人也通过大量查找涉及到本次设计的书籍,也与相关行业论坛的先行者们,进行了意见方法的交流,比较后决定先使用常规的材料力学的办法,进行一些基础的常规计算,设备的各个重要部位一个都不能缺。为了最有利的学有所用,辅助分析部分使用Pro/E为最优解,对拉伸滑块、压边缸、机身结构等关键部位进行计算,并进行强度校核。最后进行液压系统设计,查阅相关资料,多方位的进行比较,得到最优的解决方案。 943029
温馨提示:
1、题目前面的备注【字母数字编号】为本站整理分类的编号,与课题内容无关,请选题时忽视;
2、若题目上备注三维,则表示文件里包含三维源文件,由于三维组成零件数量较多,为保证预览截图的简洁性,本站将三维文件夹进行了打包。三维及CAD预览截图,均为本站电脑打开软件进行截图的,保证能够打开,下载原件超高清,下载后解压即可;
3、本站所有资源如无特殊说明,都需要本地电脑安装Office2007。图纸软件为AutoCAD,PROE,UG,SolidWorks,CATIA等;
4、本站所有图文资料仅供用户学习参考,不作为任何商用或其他用途;
5、本站不保证下载资源的准确性、安全性和完整性, 不包修改,不支持退换,同时也不承担用户因使用这些下载资源对自己和他人造成任何形式的伤害或损失;
6、 下载文件中如有侵权或不适当内容,请与我们联系,我们立即纠正。