

作品包括:
Word版说明书1份,共45页,约17000字
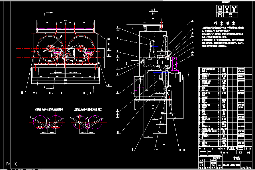
CAD版本图纸,共6张
摘要
本设计研究的是端探六槽钢管移钢机系统,通过对其各个传动系统及装配部分来对六槽钢管移钢机内部结构进行分析、探讨和改进。并且熟悉其各个环节的工作原理及过程。
在研究的过程中以图形与计算相结合的方法,来分析各个环节的各种状况。同时通过各种计算、校核来分析各个系统及部件的不同状况。并找出相应的改进方法或完善的措施。移钢机作为钢厂的关键性设备必须得到高度的重视,只有移钢机内各系统或各装配关系更加有效地工作才能保证移钢的顺利进行。
经过研究之后,不难发现。移钢机中每个细小的环节例如部件的结构、尺寸或者是材料,选择的不合适都将会对整个移钢机系统造成难以想象的后果。充分的完善移钢机内部结构或各部件之间的协调配合关系,才能最大化的发挥移钢机的效能达到减能高效的结果。
关键字:移钢机 传动系统 装配部分 高效
目 录
摘要 I
Abstract II
目录 III
绪言 1
1.1我国无缝钢管的发展过程与概况 1
1.2无缝钢管生产的主要方法 5
1.3总结与展望 8
2.移钢机的设计方案选择 11
3.六槽移钢机传动的设计 13
3.1 电动机的选用原则 13
3.2 电动机的选择 13
3.3减速器的选择 17
3.3.1 减速器传动比的确定 17
3.3.2减速器型号的确定 18
3.4 电动机与减速器间制动器的选择 18
3.4.1 制动器的概述 18
3.4.2 制动器的选择 19
3.5 移钢机架中齿轮的设计及校核 19
3.5.1 齿轮传动的特点和类型 19
3.5.2 移钢机架中齿轮的设计 21
3.5.3 齿轮的润滑 26
3.6 轴的设计及校核 26
3.6.1 轴的设计内容与步骤 26
3.6.2 移钢机驱动轴的设计 27
3.7联轴器的选择及校核 34
3.7.1选择联轴器的类型 34
3.7.2 载荷计算 35
3.7.3 型号选择 35
3.8轴承的选择及校核 35
3.81 滚动轴承类型的选择 36
3.8.2 单列圆锥滚子轴承的特性及应用 36
3.8.3 滚动轴承的选择计算 37
3.9 移钢机驱动轴上键的选择和校核 38
3.9.1 键的类型、特点和应用 38
3.9.2 键的选择和连接的强度计算 38
参考文献 39
结束语 41
温馨提示:
1、题目前面的备注【字母数字编号】为本站整理分类的编号,与课题内容无关,请选题时忽视;
2、若题目上备注三维,则表示文件里包含三维源文件,由于三维组成零件数量较多,为保证预览截图的简洁性,本站将三维文件夹进行了打包。三维及CAD预览截图,均为本站电脑打开软件进行截图的,保证能够打开,下载原件超高清,下载后解压即可;
3、本站所有资源如无特殊说明,都需要本地电脑安装Office2007。图纸软件为AutoCAD,PROE,UG,SolidWorks,CATIA等;
4、本站所有图文资料仅供用户学习参考,不作为任何商用或其他用途;
5、本站不保证下载资源的准确性、安全性和完整性, 不包修改,不支持退换,同时也不承担用户因使用这些下载资源对自己和他人造成任何形式的伤害或损失;
6、 下载文件中如有侵权或不适当内容,请与我们联系,我们立即纠正。