

作品包括:
Word版设计说明书1份
CAD版本图纸,共6张
摘要
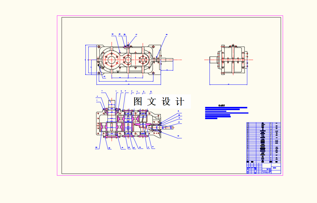
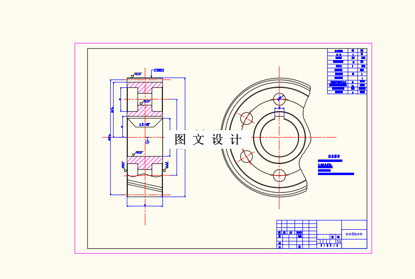
埋刮板输送机是通过各个零部件之间再通过链条之间的运作来完成作业的。一般的输送机都是大功率、大体积偏多的。埋刮板输送机结构比较紧凑,且适用于多种不同的工作环境中,整个工作的链条受力较均匀,可以进行平缓的工作。本次课题先是对整个机构进行总体设计,再对其零部件进行深入的设计选择及运算。这次选择了这个课题作为我的毕业设计,让我学会了通过所学知识和技能来进行绘图计算,并且拓展了自己对这方面领域的认知,在此设计中尽可能查阅一些相关资料来对参数进行详细精确的选择。
温馨提示:
1、题目前面的备注【字母数字编号】为本站整理分类的编号,与课题内容无关,请选题时忽视;
2、若题目上备注三维,则表示文件里包含三维源文件,由于三维组成零件数量较多,为保证预览截图的简洁性,本站将三维文件夹进行了打包。三维及CAD预览截图,均为本站电脑打开软件进行截图的,保证能够打开,下载原件超高清,下载后解压即可;
3、本站所有资源如无特殊说明,都需要本地电脑安装Office2007。图纸软件为AutoCAD,PROE,UG,SolidWorks,CATIA等;
4、本站所有图文资料仅供用户学习参考,不作为任何商用或其他用途;
5、本站不保证下载资源的准确性、安全性和完整性, 不包修改,不支持退换,同时也不承担用户因使用这些下载资源对自己和他人造成任何形式的伤害或损失;
6、 下载文件中如有侵权或不适当内容,请与我们联系,我们立即纠正。