

作品包括:
Word版设计说明书1份
CAD版本图纸,共10张
摘要
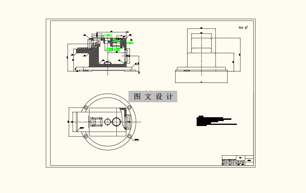
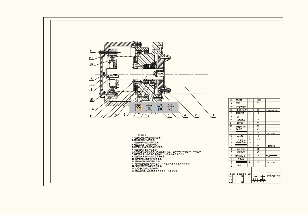
机械手是人的手的动作演化过来的,根据程序,轨道以及指定的要求,实现自动抓取、抓取等代替人工重复劳动的操作。 工业生产中使用的力学称为工业力学。 在生产中使用机械劳动,这个不单单可以提高生产的自动化生产水平和减轻工作人员的劳动强度,从而缩短工厂的生产周期,提高产品的标准和质量。工业机械手可以代替人工,在复杂高危的环境中作业,从而保障人员的安全,如果是生产粉尘,爆炸物,有毒气体,放射能等产品,机械手也可以替换为通常的人工操作更加重要。 由于应用了集成技术,机械和电气以及计算机科学,研究开发的水平迅速发展,涉及到人类社会的所有领域,特别是工业机械广泛使用的工业机械的生产和生活。 机械手在我们日常的生产工作中都得到广泛的应用,目前我们用的机械手基本都可以用其他零部件组装,机械手主要用于搬运,装卸,自动化数控机床和组合机床广泛使用。但是我国在机械自能化,特别是在大型机械手的发展上落后于西方国家很多年的距离,但是我国在科技人员的不断努力下得到了很快的发展,距离在不断的缩小,随着我们被称呼机械狂魔之国之后,机械手得到广泛的应用,那么机械手的研究上需要投入大量的资金,机械手直接影响着我国自动化的生产水平,对国家的经济和技术上都是一个必要考虑的条件。所有机械手的设计的研究非常必要的。 本课题对机械手结果特点进行分析,机械手在设计过程中需要结合我们现代生产的结构形式,各自的优缺点,结合AutoCAD软件对机械手进行设计分析,运用CAD手段快速提升设计能力,完成机械收的设计。
温馨提示:
1、题目前面的备注【字母数字编号】为本站整理分类的编号,与课题内容无关,请选题时忽视;
2、若题目上备注三维,则表示文件里包含三维源文件,由于三维组成零件数量较多,为保证预览截图的简洁性,本站将三维文件夹进行了打包。三维及CAD预览截图,均为本站电脑打开软件进行截图的,保证能够打开,下载原件超高清,下载后解压即可;
3、本站所有资源如无特殊说明,都需要本地电脑安装Office2007。图纸软件为AutoCAD,PROE,UG,SolidWorks,CATIA等;
4、本站所有图文资料仅供用户学习参考,不作为任何商用或其他用途;
5、本站不保证下载资源的准确性、安全性和完整性, 不包修改,不支持退换,同时也不承担用户因使用这些下载资源对自己和他人造成任何形式的伤害或损失;
6、 下载文件中如有侵权或不适当内容,请与我们联系,我们立即纠正。