

作品包括:
Word版设计说明书1份
CAD版本图纸,共8张
摘要
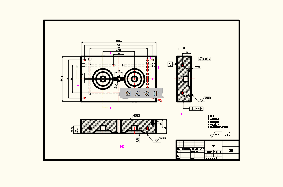
随着汽车的发展,人们对于汽车乘坐舒适度的要求也越来越高,而汽车座椅调节中,座椅调节按钮起着必不可少的作用。本课题对象为中通客车6121座椅左按钮,塑件外观总体尺寸为φ57*44.98,主体厚度为1-6mm。本文主要工作内容如下:(1)对该塑件进行工艺性分析;(2)运用 软件对塑进行造型,然后运用 Moldflow 软件进行充填、冷却、翘曲等的模拟分析与优化;(3)在前述工作基础上展开该塑件注射模具的具体设计。 根据本塑件使用性能要求,选用塑料为 PC/ABS。通过对该塑件尺寸精度、结构特点、外观质量等要求的综合分析,为简化模具、保证充填顺利和成型质量,本模具确定为一模两腔的结构,浇注系统采用热流道转潜伏式浇口从塑件内部进浇的形式,塑件底部的八个齿形结构,运用斜顶机构侧抽芯,冷却系统选用循环式冷却流道。该注塑模具总体方案合理可行。
温馨提示:
1、题目前面的备注【字母数字编号】为本站整理分类的编号,与课题内容无关,请选题时忽视;
2、若题目上备注三维,则表示文件里包含三维源文件,由于三维组成零件数量较多,为保证预览截图的简洁性,本站将三维文件夹进行了打包。三维及CAD预览截图,均为本站电脑打开软件进行截图的,保证能够打开,下载原件超高清,下载后解压即可;
3、本站所有资源如无特殊说明,都需要本地电脑安装Office2007。图纸软件为AutoCAD,PROE,UG,SolidWorks,CATIA等;
4、本站所有图文资料仅供用户学习参考,不作为任何商用或其他用途;
5、本站不保证下载资源的准确性、安全性和完整性, 不包修改,不支持退换,同时也不承担用户因使用这些下载资源对自己和他人造成任何形式的伤害或损失;
6、 下载文件中如有侵权或不适当内容,请与我们联系,我们立即纠正。