

作品包括:
Word版设计说明书1份
CAD版本图纸,共6张
摘要
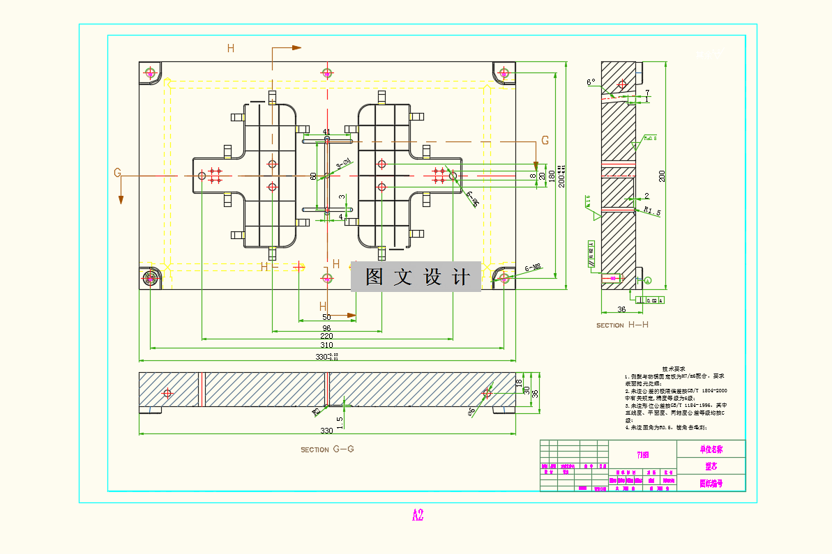
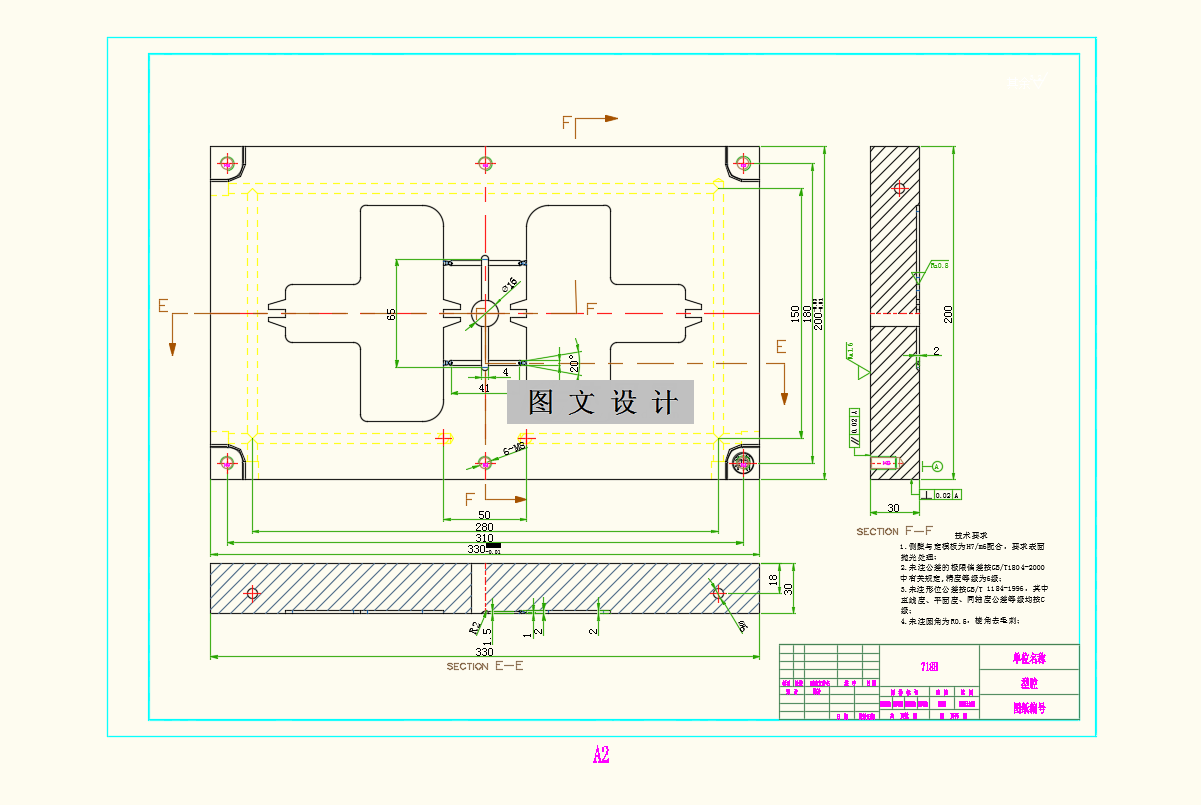
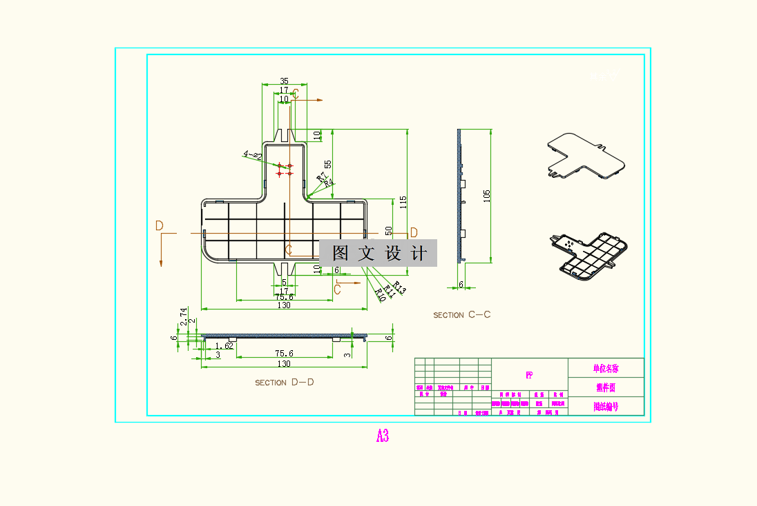
注射成型在整个制造业的生产中占有十分重要的地位,据估计,注射成型的制品越战所有模具,塑料制品总产量1/3,约占塑料成型模具数量的1/2以上。注塑模具在模具工业是举足轻重的存在。现在生产发展的市场需求,对注塑模具设计和制造的方法提出了更高的要求,为了赢得竞争占有市场可持续发展模具生产必须变革,传统的生产方法引进新技术,新思维。 依据塑料加工品质需求,清楚塑料品用作何用,对其工艺性能,尺寸精度等方面的技术需求展开分析,注意塑料产品加工之时规格的需求,此模具使用Moldflow进行模拟注射,使用一模两腔,浇口为点浇口,加工所用注射机为HTF160XB型,需安排冷却系统在模具中,运用绘图软件将总装图,零件图全部画出,生产模具的方式应当恰当,将说明书编写出,穿插图纸以及计算在其中,对塑料产品开展分析,至此可设计出恰当的模具。
温馨提示:
1、题目前面的备注【字母数字编号】为本站整理分类的编号,与课题内容无关,请选题时忽视;
2、若题目上备注三维,则表示文件里包含三维源文件,由于三维组成零件数量较多,为保证预览截图的简洁性,本站将三维文件夹进行了打包。三维及CAD预览截图,均为本站电脑打开软件进行截图的,保证能够打开,下载原件超高清,下载后解压即可;
3、本站所有资源如无特殊说明,都需要本地电脑安装Office2007。图纸软件为AutoCAD,PROE,UG,SolidWorks,CATIA等;
4、本站所有图文资料仅供用户学习参考,不作为任何商用或其他用途;
5、本站不保证下载资源的准确性、安全性和完整性, 不包修改,不支持退换,同时也不承担用户因使用这些下载资源对自己和他人造成任何形式的伤害或损失;
6、 下载文件中如有侵权或不适当内容,请与我们联系,我们立即纠正。